EasyManua.ls Logo

BMW Z3(E36/7) - Compressor Control and Water Supply

BMW Z3(E36/7)
367 pages
Print Icon
To Next Page IconTo Next Page
To Next Page IconTo Next Page
To Previous Page IconTo Previous Page
To Previous Page IconTo Previous Page
Loading...
BM
BMW
BMWBMW
Z3
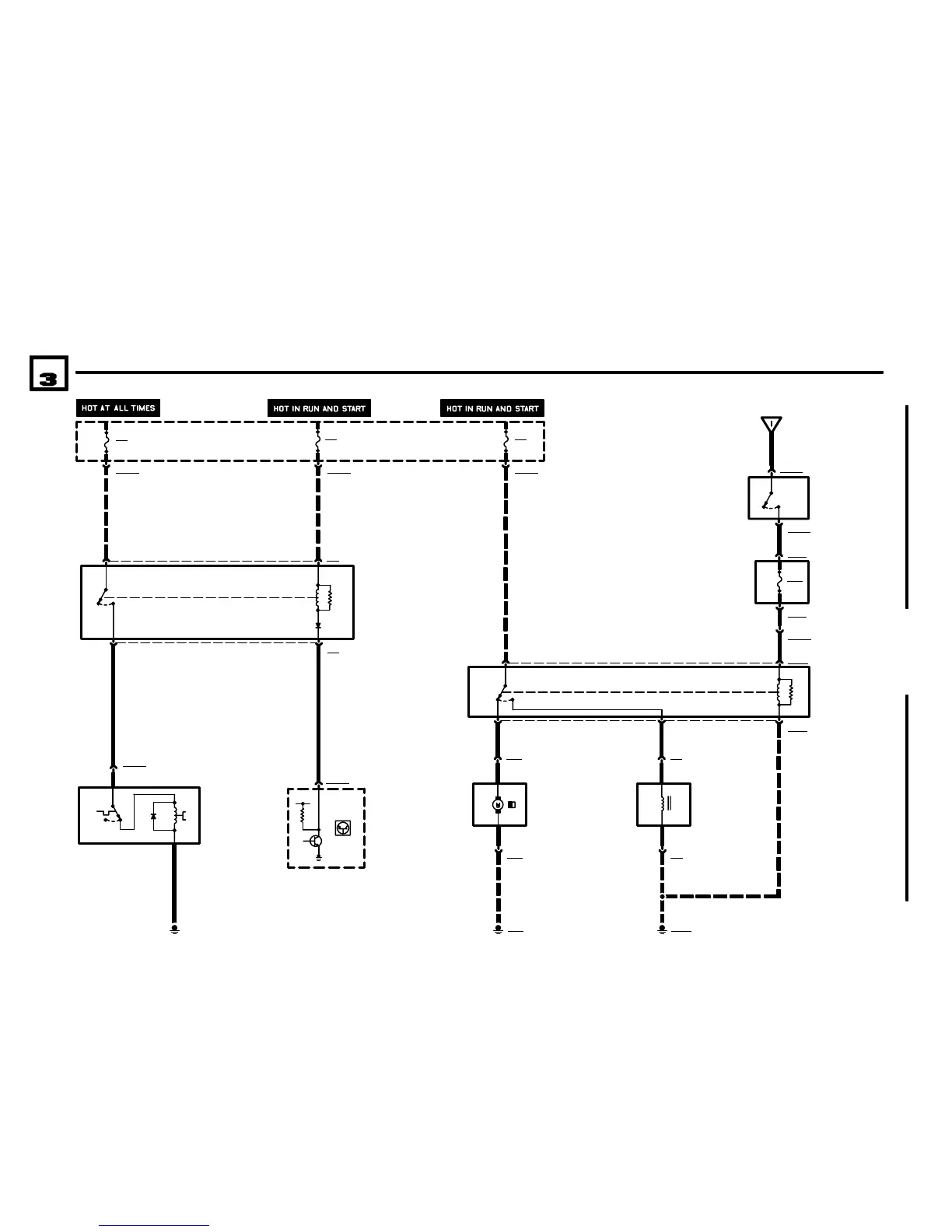
COMPRESSOR CONTROL AND WATER SUPPLY
INTEGRATED HEATING AND CLIMATE CONTROL
01/01
6450.6Ć
2001
06
F16
5A
30
87
F39
7.5A
18 X10018
FUSE DETAILS
0670.3
.75 SW
2
1
2
.5 SW/BL
5 X51
Y2
AIR CONDITIONING
COMPRESSOR
1) NORMAL
TEMPERATURE
2) HIGH
TEMPERATURE
K19
COMPRESSOR
CONTROL RELAY
FUSE DETAILS
0670.3
6
4 X51
12 X10016
X10241
86
85
15
29 X60004
A6000
ENGINE CONTROL
MODULE (DME)
1
P90
FRONT POWER
DISTRIBUTION BOX
31
M VERSIONS
.5 GN/BR
1 X11287
X112874
A605
FUSE HOLDER
2 X5115
X5115
.5 BL
1
0
1
X85
GROUND DISTRIBUTION
0670.4
X10054
2
8 X1602
Y4z
WATER VALVE
2
.5 BL
F953
2A
S531
TEMPERATURE
WHEEL SWITCH
0) NORMAL
TEMPERATURE
1) MAXIMUM
TEMPERATURE
.5 BL
X9633
6450.6-06
2
1 X85
30
87
F54
30A
8 X19017
5
4 X1602
K104
AIR CONDITIONING
RELAY/AUXILIARY
WATER PUMP
FUSE DETAILS
0670.3
6
86
85
87a
.75 BL
X122
GROUND
DISTRIBUTION
0670.4
M37a
AUXILIARY WATER
PUMP
1
X166
2 X122
.75 GN/WS
GROUND
DISTRIBUTION
0670.4

Table of Contents

Other manuals for BMW Z3(E36/7)

Related product manuals