EasyManua.ls Logo

BMW Z3(E36/7) - Page 255

BMW Z3(E36/7)
367 pages
Print Icon
To Next Page IconTo Next Page
To Next Page IconTo Next Page
To Previous Page IconTo Previous Page
To Previous Page IconTo Previous Page
Loading...
X166
BM
BMW
BMWBMW
Z3
01/01
6450.6Ć
2001
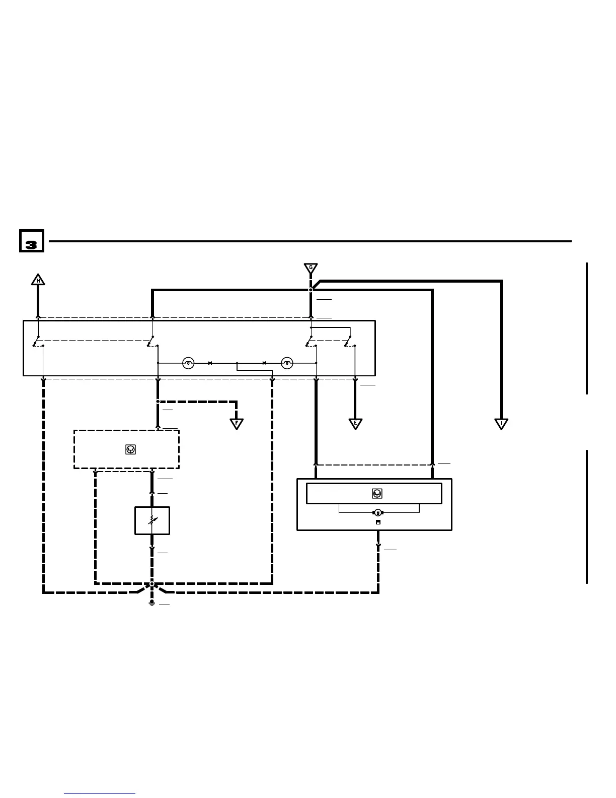
INTEGRATED HEATING AND CLIMATE CONTROL
05
01
6450.6-04
X7711
1 GN/BR
1 SW/VI
X18350
1.5 GN/BR
S221
EVAPORATOR
CONTROLLER
B14
EVAPORATOR
TEMPERATURE
SENSOR
M111
FRESH AIR
RECIRCULATION
MOTOR
S220
AIR CONDITIONING/
RECIRCULATING
SWITCH ASSEMBLY
0) OFF
1) AIR
CONDITIONING
2) AIR
RECIRCULATING
X7712
X183506
1 SW/WS
4 7 X18349
X18349
1.5 GE.5 GN
.5 GN/BR
X151713
2 85
3
2
GROUND
DISTRIBUTION
0670.4
GROUND
DISTRIBUTION
0670.4
6
GROUND
DISTRIBUTION
0670.4
X15172
GROUND
DISTRIBUTION
0670.4
6450.6-04
(PARTIAL)
6450.6-07
1 SW/VI
X189
2
01
1.5 GE
3
1
GROUND
DISTRIBUTION
0670.4
6450.6-04
X68309 (PARTIAL)
.5 GN/BR
0
2
0
M VERSIONS
6450.6-06

Table of Contents