EasyManua.ls Logo

BMW Z3(E36/7) - Page 254

BMW Z3(E36/7)
367 pages
Print Icon
To Next Page IconTo Next Page
To Next Page IconTo Next Page
To Previous Page IconTo Previous Page
To Previous Page IconTo Previous Page
Loading...
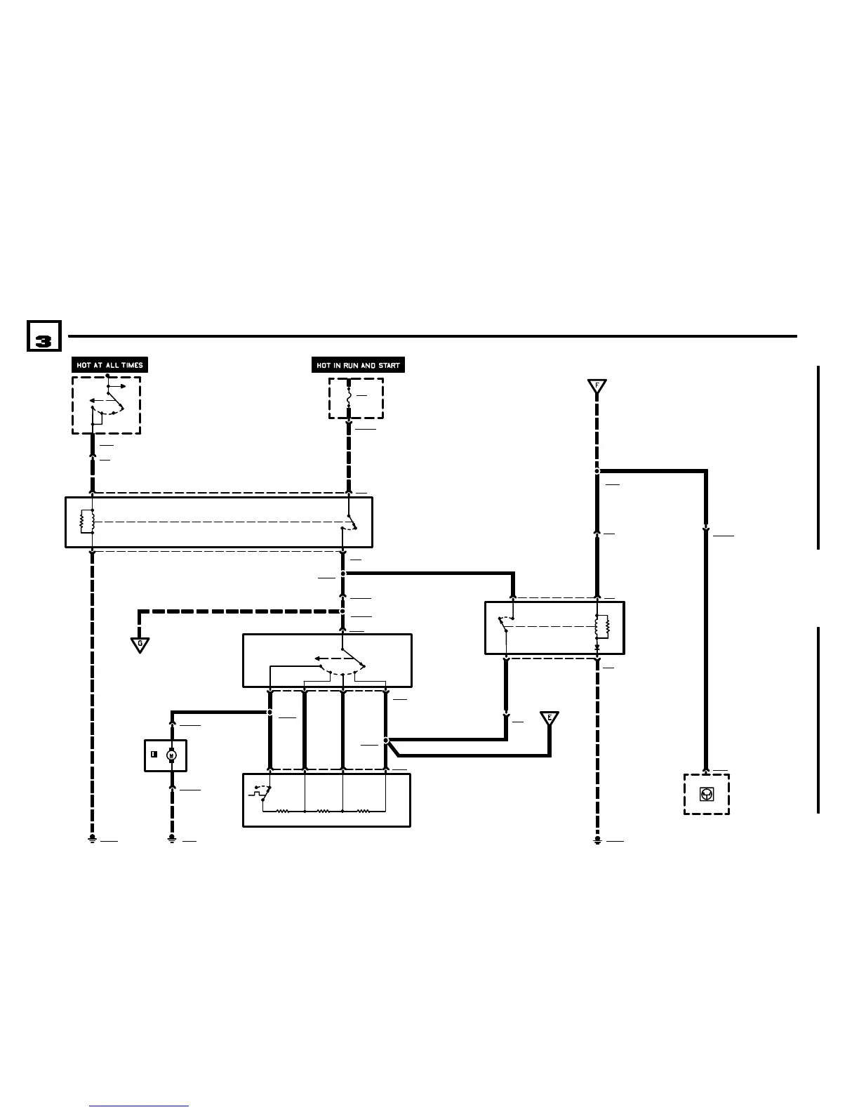
X166
M30
BLOWER
MOTOR
1.5 GE
BM
BMW
BMWBMW
Z3
POWER, AIR FLOW CONTROL
01/01
6450.6Ć
2001
INTEGRATED HEATING AND CLIMATE CONTROL
X1001620
8
2.5 GN
P90
FRONT POWER
DISTRIBUTION BOX
F20
30A
X1429
X582
4
3 2 1 7 X905
X132871
6 X58
2 X13233
3 2 1 4 X904
X100547
7 X33
4 X905
S2
IGNITION SWITCH
0) OFF
1) ACCESSORY
2) RUN
3) START
1 X209
86
85
30
87
FUSE DETAILS
0670.3
K4
BLOWER RELAY
2.5 GN/BR
2.5 GN/BR
2.5 BL
2.5 BL
2.5 BL 2.5 GN 1.5 SW
1.5 GE
GROUND
DISTRIBUTION
0670.4
GROUND
DISTRIBUTION
0670.4
R11
BLOWER
RESISTORS
1) OPENS IF
RESISTORS
OVERHEAT
04
S75
BLOWER SWITCH
0) OFF
1) SLOW
2) MEDIUM
3) FAST
4) MAXIMUM
POWER DISTRIBUTION
0670.2
X1435
1.5 GE
6450.6-05
X68309
2.5 GN/BR
6450.6-05
(PARTIAL)
1.5 GE
2.5 GN/BR
X1280
2 8 X50
6
X50
4
K33a
AIR CONDITIONING
RELAY, MOTRONIC
30 86
87 85
GROUND
DISTRIBUTION
0670.4
6 X271
5
A2w
INSTRUMENT
CLUSTER
.5 SW/VI
X10054
2 X35
X353
X189
6450.6-05
X9633
1.5 GE
2.5 GN/BR .5 SW/VI
1.5 SW/VI
(PARTIAL)
1 SW/VI
1
2
1
0
3
2
1
0
3
4
M VERSIONS
X9633

Table of Contents

Other manuals for BMW Z3(E36/7)

Related product manuals