EasyManua.ls Logo

BMW Z3(E36/7) - Anti-Theft System (Alpine)

BMW Z3(E36/7)
367 pages
Print Icon
To Next Page IconTo Next Page
To Next Page IconTo Next Page
To Previous Page IconTo Previous Page
To Previous Page IconTo Previous Page
Loading...
BM
BMW
BMWBMW
Z3
INDICATORS
01/01
6211.0Ć
2001
01
INSTRUMENT CLUSTER
3
GROUND
DISTRIBUTION
0670.4
A2w
INSTRUMENT
CLUSTER
HEADLIGHTS/FOG
LIGHTS
6312.0
TURN/HAZARD
LIGHTS
6313.0
LIGHT SWITCH
DETAILS
6300.0
.75 GE/BR .5 BL/GN
4
.5 BL/BR
3
.5 GR/RT
X17 2
19 X16
2 X713
2X118
1X118
1 X713
.5 GE
B16
LEFT FRONT BRAKE
PAD SENSOR
.5 GE
B17
RIGHT REAR BRAKE
PAD SENSOR
S58
DRIVERS SEAT
BELT SWITCH
6 X275
14
8 X275
14 X10017
23
P90
FRONT POWER
DISTRIBUTION BOX
FUSE DETAILS
0670.3
GROUND
DISTRIBUTION
0670.4
GROUND
DISTRIBUTION
0670.4
.5 BL/VI/GE
F27
5A
X9633 X10010 X13006
9
15 15
45
21
12 X33
X9633
22
.5 BL/SW
11 X33
.75 BL/SW
.75 BR
GROUND
DISTRIBUTION
0670.4
GROUND
DISTRIBUTION
0670.4
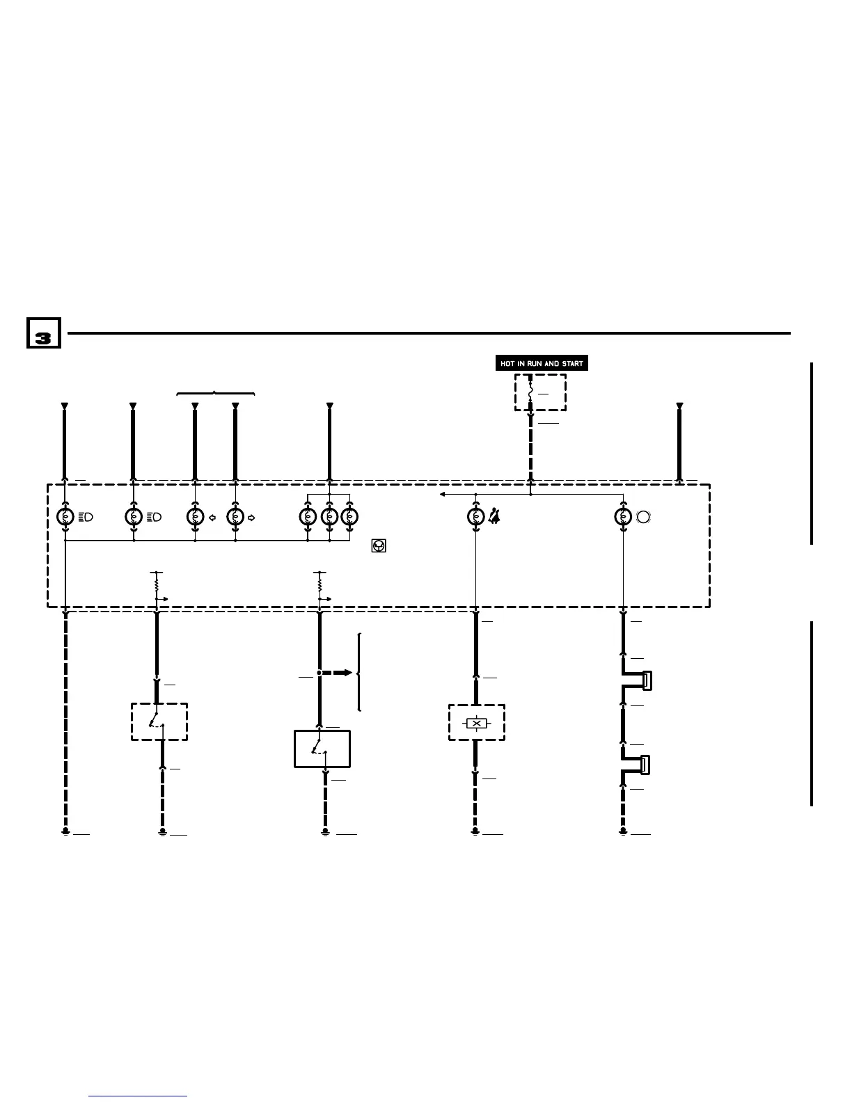
ANTITHEFT
SYSTEM (ALPINE)
6575.2
S2
IGNITION SWITCH
4) OPEN MOMENTARILY
IN START AND OFF,
OPEN WITH KEY
REMOVED
5) CLOSED IN OFF,
START, RUN AND AC-
CESSORY
S14
DRIVERS DOOR
JAMB SWITCH
1) DOOR OPEN
2) DOOR CLOSED
.5 BR/GR/GE
X443
.75 BR/GR/GE
2 X352
1
X352
23 X17
X13006
HEADLIGHTS/FOG
LIGHTS
6312.0
.35 WS
1
DATA LINK
0670.5
.35 WS/VI
X1612
ANTITHEFT
SYSTEM (DWA)
6575.0
Z3 VERSIONS

Table of Contents

Other manuals for BMW Z3(E36/7)

Related product manuals