EasyManua.ls Logo

BMW Z3(E36/7) - Page 257

BMW Z3(E36/7)
367 pages
Print Icon
To Next Page IconTo Next Page
To Next Page IconTo Next Page
To Previous Page IconTo Previous Page
To Previous Page IconTo Previous Page
Loading...
5 X53
X165
BM
BMW
BMWBMW
Z3
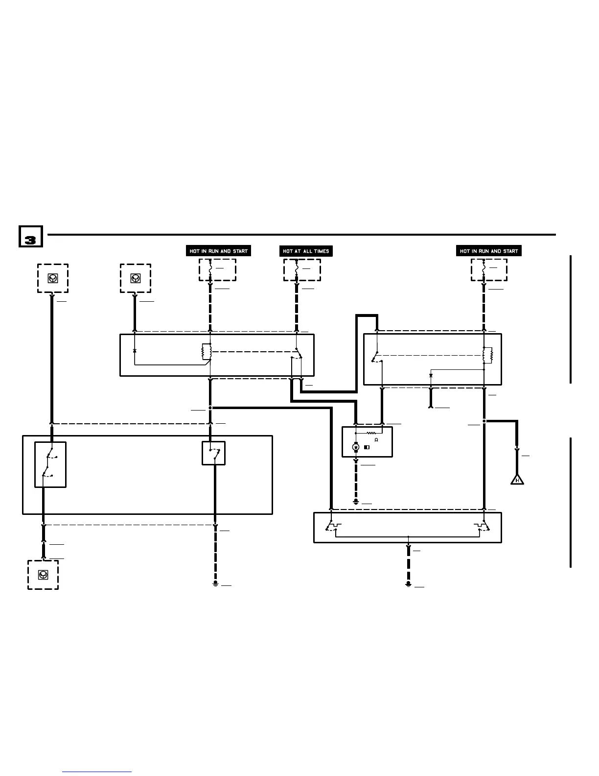
AUXILIARY FAN
01/01
6450.6Ć
2001
07
INTEGRATED HEATING AND CLIMATE CONTROL
.5 SW/GN
X19022
1
B9
INTERMEDIATE
PRESSURE
SWITCH
1) ABOVE 18 BAR
PRESSURE
2) 15 BAR
PRESSURE
30
30
K22
HIGH SPEED
RELAY
K21
NORMAL SPEED
RELAY
X872
.5 SW/GR
2.5 SW/
BL
X1902224
1
M9
AUXILIARY FAN
MOTOR
8 X536
6 X52
4
X1272
86
8785
87
86
85
X127
3
X165
X1001612
4
2 X528
X15882
FUSE DETAILS
0670.3
X10027
GROUND
DISTRIBUTION
0670.4
.5 SW/GR
7
B8y
PRESSURE SWITCH
1) PRESSURE BELOW
21 BAR
2) PRESSURE ABOVE
30 BAR
3) PRESSURE ABOVE
2.6 BAR
4) PRESSURE BELOW
1.5 BAR
S221
EVAPORATOR
CONTROLLER
.5 VI
1 VI
1
4 X10054
X183505
.5 SW/GE
GROUND
DISTRIBUTION
0670.4
B9508
PRESSURE
SWITCH
.5 SW/GR
4 BL
4
2
X165
GROUND
DISTRIBUTION
0670.4
P90
FRONT POWER
DISTRIBUTION BOX
X1001612
FUSE DETAILS
0670.3
21
X873
F16
5A
12
F48
40A
F16
5A
P97
AUXILIARY FUSE
BOX
FUSE DETAILS
0670.3
0.5
P90
FRONT POWER
DISTRIBUTION BOX
X271
5
X100546
X354
85b
2.5 RT/GN
.5 SW/GE
NOT USED
X6949
.5 SW/GN.5 SW/GN
6450.6-05
1.5 GE
S36
TEMPERATURE
SWITCH
1) OPEN
2) ABOVE 99
DEGREES C
3) ABOVE 91
DEGREES C
4) OPEN
85b
12
34
43
M VERSIONS
A2w
INSTRUMENT
CLUSTER
4
.5 SW/RT
X60004
A6000
ENGINE CONTROL
MODULE (DME)
9
87a

Table of Contents

Other manuals for BMW Z3(E36/7)

Related product manuals