EasyManua.ls Logo

BMW Z3(E36/7) - Page 221

BMW Z3(E36/7)
367 pages
Print Icon
To Next Page IconTo Next Page
To Next Page IconTo Next Page
To Previous Page IconTo Previous Page
To Previous Page IconTo Previous Page
Loading...
BM
BMW
BMWBMW
Z3
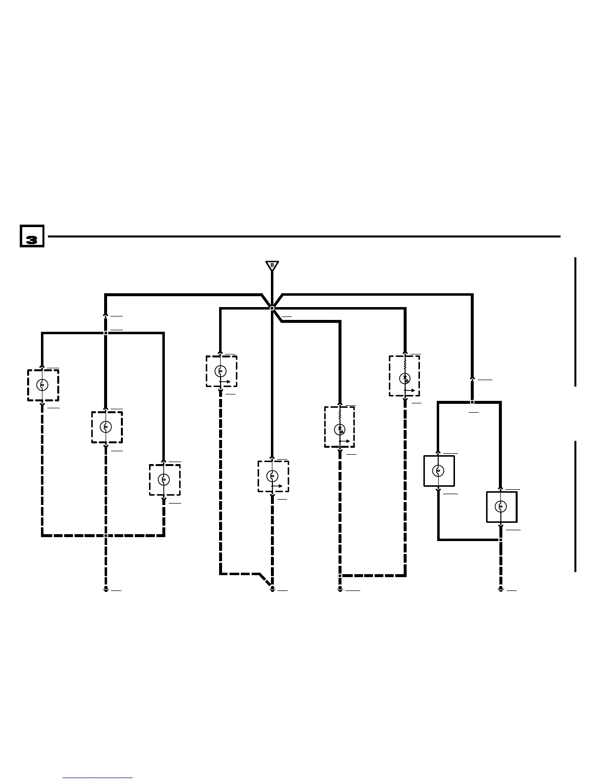
LIGHT SWITCH DETAILS
01/01
6300.0Ć
2001
03
4 X651
1 X651
S53
DRIVERS SEAT,
SEAT HEATER
SWITCH
.5 GR/RT
6300.0-00
X806
1.5 GR/RT
.75 GR/RT
.5 GR/RT
X18170
4 X658
1
X658
S54
PASSENGERS
SEAT, SEAT
HEATER SWITCH
.5 GR/RT
E105
HEAT/A/C
CONTROL PANEL
ILLUMINATION
.35 GR/RT
2 X18983
1 X18983
E106
HEAT/A/C
CONTROL PANEL
ILLUMINATION
.35 GR/RT
2
1
X166
GROUND
DISTRIBUTION
0670.4
GROUND
DISTRIBUTION
0670.4
GROUND
DISTRIBUTION
0670.4
X985
.5 GR/RT
.5 BR/WS
.5 BR/WS
X18984
X18984
8 X10054
.5 GR/RT
S126y
DRIVERS
POWER
WINDOW
SWITCH
.5 GR/RT
4 X316
3 X316
GROUND
DISTRIBUTION
0670.4
S127y
PASSENGERS
POWER WINDOW
SWITCH
X324
X324
X494
GROUND
DISTRIBUTION
0670.4
.5 GR/RT
3
4
9 X3505
.75 GR/RT
B59
OIL TEMPERATURE
GAUGE
X9561
X9561
N5
ANALOG CLOCK
X1155
X1155
X166
GROUND
DISTRIBUTION
0670.4
.5 GR/RT
3
4
.5 GR/RT
X9806
6
5
M VERSIONS
B921
OUTSIDE
TEMPERATURE
GAUGE
X2239
X2239
5
6

Table of Contents

Other manuals for BMW Z3(E36/7)

Related product manuals