EasyManua.ls Logo

BMW Z3(E36/7) - Page 220

BMW Z3(E36/7)
367 pages
Print Icon
To Next Page IconTo Next Page
To Next Page IconTo Next Page
To Previous Page IconTo Previous Page
To Previous Page IconTo Previous Page
Loading...
BM
BMW
BMWBMW
Z3
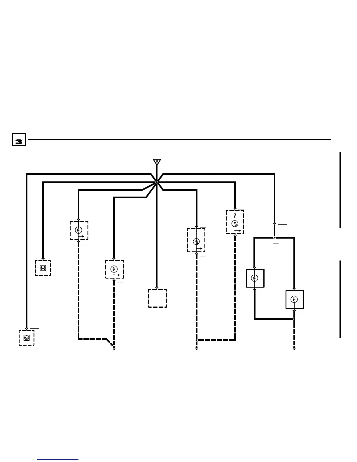
LIGHT SWITCH DETAILS
01/01
6300.0Ć
2001
E82
TRANSMISSION
POSITION INDI-
CATOR LIGHT
.5 GR/RT
1 X1600
02
4 X651
1 X651
S53
DRIVERS
SEAT, SEAT
HEATER
SWITCH
.5 GR/RT
6300.0-00
X806
1.5 GR/RT
A35y
BOARD
COMPUTER
(BC LOW)
11 X10245
.5 GR/RT .5 GR/RT
X18170
4 X658
1
X658
S54
PASSENGERS
SEAT, SEAT
HEATER
SWITCH
.5 GR/RT
E105
HEAT/A/C
CONTROL PANEL
ILLUMINATION
.35 GR/RT
2 X18983
1 X18983
E106
HEAT/A/C
CONTROL PANEL
ILLUMINATION
.35 GR/RT
2
1
X13004
GROUND
DISTRIBUTION
0670.4
GROUND
DISTRIBUTION
0670.4
GROUND
DISTRIBUTION
0670.4
X985
.5 GR/RT
.5 BR/WS
.5 BR/WS
X18984
X18984
8 X10054
.5 GR/RT
S126y
DRIVERS
POWER
WINDOW
SWITCH
.5 GR/RT
4 X316
3 X316
GROUND
DISTRIBUTION
0670.4
S127y
PASSENGERS
POWER WINDOW
SWITCH
X324
X324
X494
GROUND
DISTRIBUTION
0670.4
.5 GR/RT
3
4
3 X1155
N5
ANALOG
CLOCK
Z3 VERSIONS

Table of Contents

Other manuals for BMW Z3(E36/7)

Related product manuals