EasyManua.ls Logo

BMW Z3(E36/7) - Page 124

BMW Z3(E36/7)
367 pages
Print Icon
To Next Page IconTo Next Page
To Next Page IconTo Next Page
To Previous Page IconTo Previous Page
To Previous Page IconTo Previous Page
Loading...
BM
BMW
BMWBMW
Z3
5 X209
S2
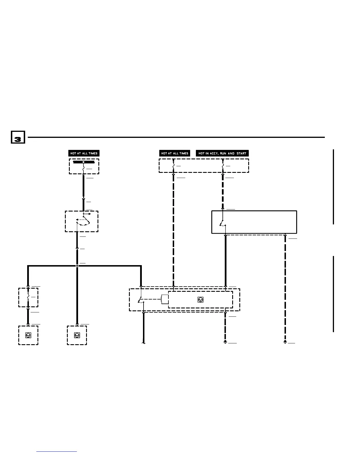
IGNITION SWITCH
0) OFF
1) ACCESSORY
2) RUN
3) START
X209
4
01/01
1240.0Ć
2001
02
START
P90
FRONT POWER
DISTRIBUTION BOX
4 RT
A6000
ENGINE CONTROL
MODULE (DME)
2.5 SW/GE
8 X33
7
1
GROUND
DISTRIBUTION
0670.4
2.5 GN/SW
FUSE DETAILS
0670.3
2
82
A837
ELECTRONIC
IMMOBILIZER
CONTROL MODULE
(EWS III)
X1805
X10018
2.5 SW/GE
F31
5A
X18170
21
0
3
X1001830
3 X18994
S235
STARTER
IMMOBILIZATION
SWITCH
1) NORMAL
2) CLUTCH PEDAL
FULLY
DEPRESSED
2
FUSE DETAILS
0670.3
12
F45
7.5A
1 X18994
X9633
GROUND
DISTRIBUTION
0670.4
X1805
.35 BL/SW
3
F106
50A
G7512
B+ JUNCTION
POINT
X1981
1 X33
M VERSIONS
A104
BODY
ELECTRONICS
CONTROL MODULE
(ZKE IV)
4 RT
2.5 GN/SW
P90
FRONT POWER
DISTRIBUTION BOX
F15
5A
50
X60004
.5 GN/SW
6
X1001610
X10016
2.5 GN/SW
9
X10182
.75 GN/SW
12
X239

Table of Contents

Other manuals for BMW Z3(E36/7)

Related product manuals