EasyManua.ls Logo

BMW Z3(E36/7) - Page 153

BMW Z3(E36/7)
367 pages
Print Icon
To Next Page IconTo Next Page
To Next Page IconTo Next Page
To Previous Page IconTo Previous Page
To Previous Page IconTo Previous Page
Loading...
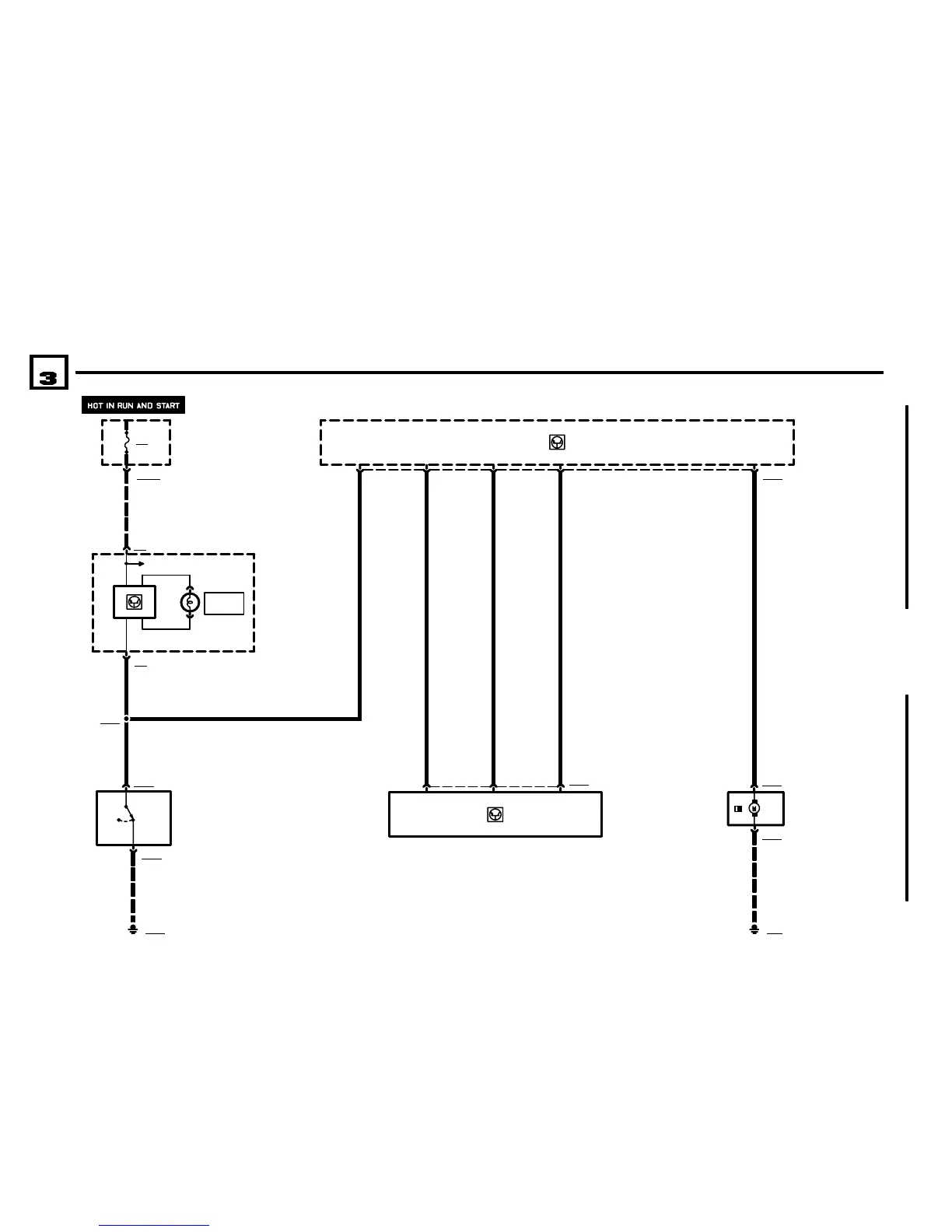
X492
GROUND
DISTRIBUTION
0670.4
BM
BMW
BMWBMW
Z3
DYNAMIC STABILITY CONTROL (DSC III)
01/01
3452.1Ć
2001
01
.5 BR/VI
18
23 X16
A2w
INSTRUMENT
CLUSTER
X16
BRAKE
FLUID
14 X10017
F27
5A
FUSE DETAILS
0670.3
P90
FRONT POWER
DISTRIBUTION BOX
X9633
GROUND
DISTRIBUTION
0670.4
2 X9063
1 X9063
B18
BRAKE FLUID
LEVEL SWITCH
1) LOW LEVEL
2) NORMAL
LEVEL
12
X1123
.5 BR/VI
A65
DYNAMIC STABILITY
CONTROL UNIT
(DSC)
41
X1748
20
.5 BR/VI .5 BL/SW
24
.5 WS/BL .5 SW/VI
36 14
M118
PRECHARGE PUMP
3 1 2
Y16z
PRESSURE
TRANSMITTER
2
1 X1656
2.5 SW/GN
X1746
X1656
Z3 VERSIONS EARLY PRODUCTION AND M VERSIONS

Table of Contents

Other manuals for BMW Z3(E36/7)

Related product manuals