EasyManua.ls Logo

BMW Z3(E36/7) - Page 165

BMW Z3(E36/7)
367 pages
Print Icon
To Next Page IconTo Next Page
To Next Page IconTo Next Page
To Previous Page IconTo Previous Page
To Previous Page IconTo Previous Page
Loading...
BM
BMW
BMWBMW
Z3
01/01
3452.2Ć
2001
04
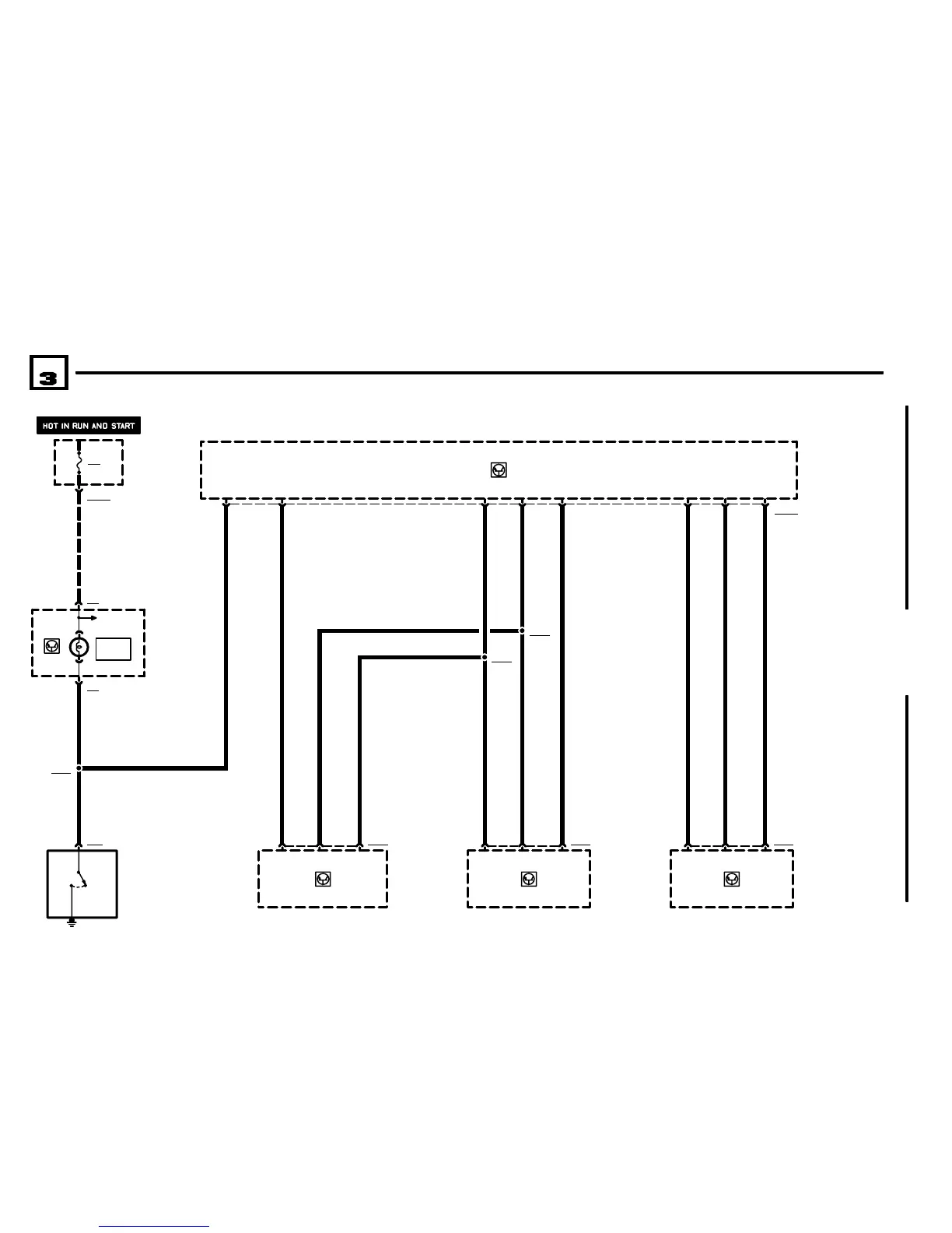
DYNAMIC STABILITY CONTROL (DSC MK 60)
.5 BL/BR/GE
1 3 X1747
S31
PARK BRAKE
SWITCH
1) BRAKE SET
2) BRAKE NOT SET
27
A65
DYNAMIC STABILITY
CONTROL UNIT
(DSC)
X18303
1820
B76
PRESSURE
SENSOR
2
X1628
.5 BL/SW.5 SW/VI.5 BL/BR/GE
19
1
.5 WS/BL
1 X1653
4026
B75
RPM RATE
SENSOR
3
.5 SW/
RT/GE
.5 GR/
SW/GE
24
2
.5 BR/SW/GE
2 X1655
B74
TRANSVERSE
ACCELERATION
SENSOR
1
.5 BR/
SW/WS
.5 GR/
SW/GE
6
3
.5 BR/SW/WS
12
X423
.5 BL/BR/GE
17
X16
23 X16
14 X10017
F27
5A
FUSE DETAILS
0670.3
P90
FRONT POWER
DISTRIBUTION
BOX
A2w
INSTRUMENT
CLUSTER
PARK
BRAKE
X3770
X1483
.5 GR/
SW/GE
.5 BR/SW/GE
Z3 VERSIONS LATE PRODUCTION

Table of Contents

Other manuals for BMW Z3(E36/7)

Related product manuals