EasyManua.ls Logo

BMW Z3(E36/7) - Page 224

BMW Z3(E36/7)
367 pages
Print Icon
To Next Page IconTo Next Page
To Next Page IconTo Next Page
To Previous Page IconTo Previous Page
To Previous Page IconTo Previous Page
Loading...
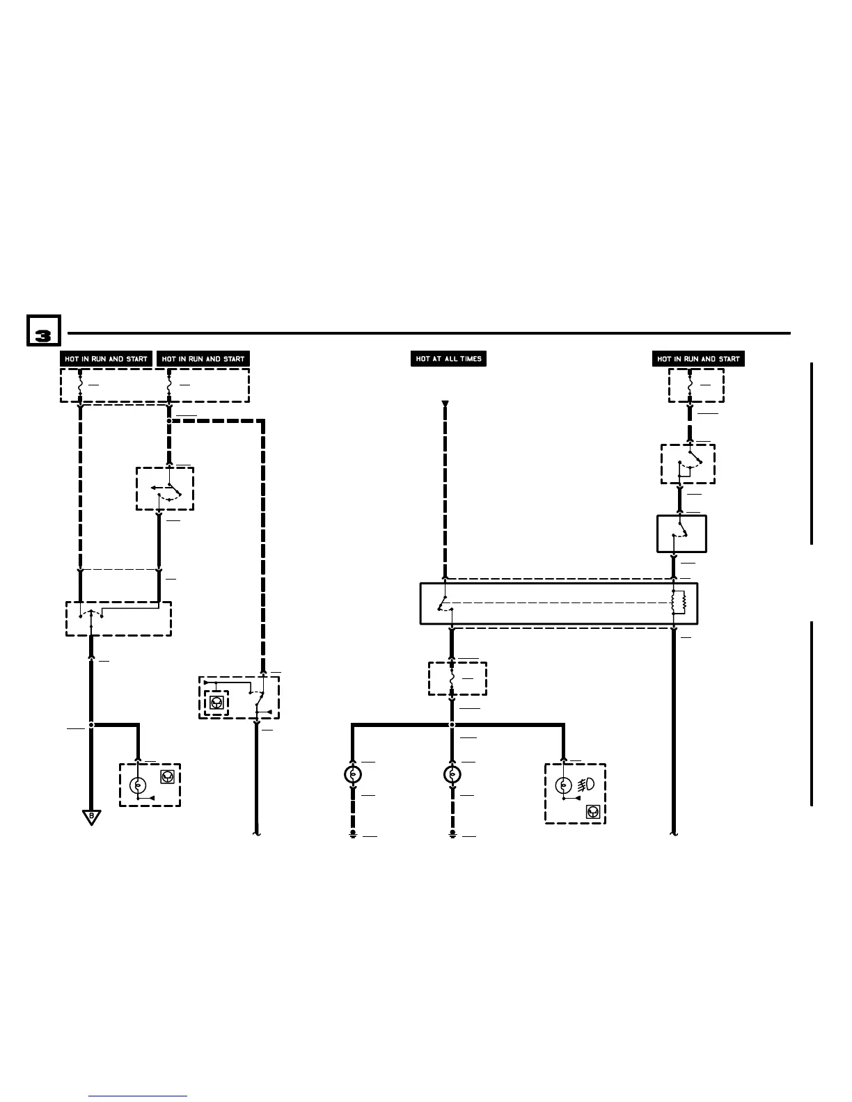
HEADLIGHTS/FOG LIGHTS
BM
BMW
BMWBMW
Z3
1 GE/BR
9
06/00
6312.0Ć
2001
02
F25
5A
6312.0-03
X329
X32
5
FUSE DETAILS
0670.3
X65
F23
5A
6
10
4
10
.5 GE
FUSE DETAILS
0670.3
N17
CRASH CONTROL
MODULE
.5 GE/BL
S7
COMBINATION
SWITCH
7) NORMAL
8) FLASH
9) HIGH BEAM
.35 WS
.5 WS
3
X503
X503
8
2
4 X44
E26
LEFT FOG LIGHT
6
X44
8
.5 GE/GR
30
86
E27
RIGHT FOG LIGHT
GROUND DISTRIBUTION
0670.4
POWER
DISTRIBUTION
0670.2
X768
1
X7682
X769
1
X769
GROUND DISTRIBUTION
0670.4
1 GE/BR .75 GE/BR
X1152
1 GE/BR
85
P90
FRONT POWER
DISTRIBUTION BOX
K47
FRONT FOG LIGHT
RELAY
X10017
S8
LIGHT SWITCH
0) OFF
1) PARK LIGHTS
ON
2) HEADLIGHTS
ON
X17
X65
X165X166
4
.5 GN/GE .5 GE
2
0
2
1
89
7
X1028
1 X16
A2w
INSTRUMENT
CLUSTER
.35 WS .35 WS
F15
15A
10 X10016
NSW
X10016
9
P90
FRONT POWER
DISTRIBUTION BOX
.5 RT/WS
1 RT/GE
87
01
2
1 X504
X504
S10
FOG LIGHT
SWITCH
0) OFF
1) FRONT FOG
LIGHTS ON
0
2
1
2
11 X503
X503
.5 GE/VI
S8
LIGHT SWITCH
0) OFF
1) PARK LIGHTS ON
2) HEADLIGHTS ON
P90
FRONT POWER
DISTRIBUTION BOX
F22
5A
4 X10017
FUSE DETAILS
0670.3
POWER
DISTRIBUTION
0670.2
CANADA
A2w
INSTRUMENT
CLUSTER
FUSE DETAILS
0670.3

Table of Contents

Other manuals for BMW Z3(E36/7)

Related product manuals