EasyManua.ls Logo

BMW Z3(E36/7) - Page 233

BMW Z3(E36/7)
367 pages
Print Icon
To Next Page IconTo Next Page
To Next Page IconTo Next Page
To Previous Page IconTo Previous Page
To Previous Page IconTo Previous Page
Loading...
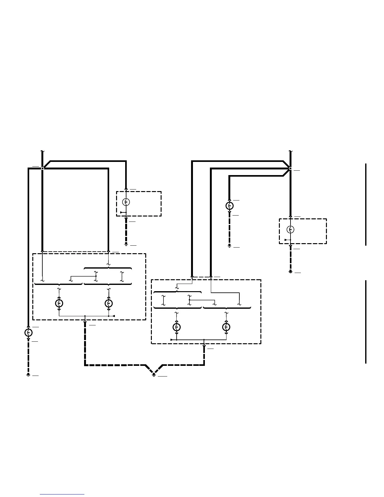
H25
LEFT TAIL LIGHT
M VERSIONS
Z3 COUPE
01/01
6314.0Ć
2001
03
8 X319
1 X319
1 X766
E21
LEFT FRONT
MARKER LIGHT
E16
LEFT REAR LIGHT
ASSEMBLY
2 X766
1 GR/VI
.75 GR/GE
.75 GR/VI
X166
7 X318
5 X318
E17
RIGHT REAR LIGHT
ASSEMBLY
GROUND
DISTRIBUTION
0670.4
X165
1 X767
E22
RIGHT FRONT
MARKER LIGHT
2 X767
GROUND
DISTRIBUTION
0670.4
GROUND
DISTRIBUTION
0670.4
GROUND
DISTRIBUTION
0670.4
H39
RIGHT TAIL LIGHT
H30
RIGHT TAIL LIGHT
X13006
.5 GR/VI
X166
3 X128
E15
LEFT PARK LIGHT
1 X128
GROUND
DISTRIBUTION
0670.4
.5 GR/GE
X165
3 X137
E19
RIGHT PARK LIGHT
1 X137
GROUND
DISTRIBUTION
0670.4
E7
LEFT HEADLIGHT
E8
RIGHT HEADLIGHT
M VERSIONS
Z3 COUPE
Z3 ROADSTERZ3 ROADSTER
1 GR/GE
.75 GR/GE
X245
M VERSIONS
Z3 COUPE
3
H37
LEFT TAIL LIGHT
M VERSIONS
Z3 COUPE
Z3 ROADSTERZ3 ROADSTER
4
.75 GR/VI
X246
Z3 ROADSTER
1 GR/VI
Z3 ROADSTER
1 GR/GE

Table of Contents

Other manuals for BMW Z3(E36/7)

Related product manuals