EasyManua.ls Logo

BMW Z3(E36/7) - Page 237

BMW Z3(E36/7)
367 pages
Print Icon
To Next Page IconTo Next Page
To Next Page IconTo Next Page
To Previous Page IconTo Previous Page
To Previous Page IconTo Previous Page
Loading...
3COUPE
BM
BMW
BMWBMW
Z3
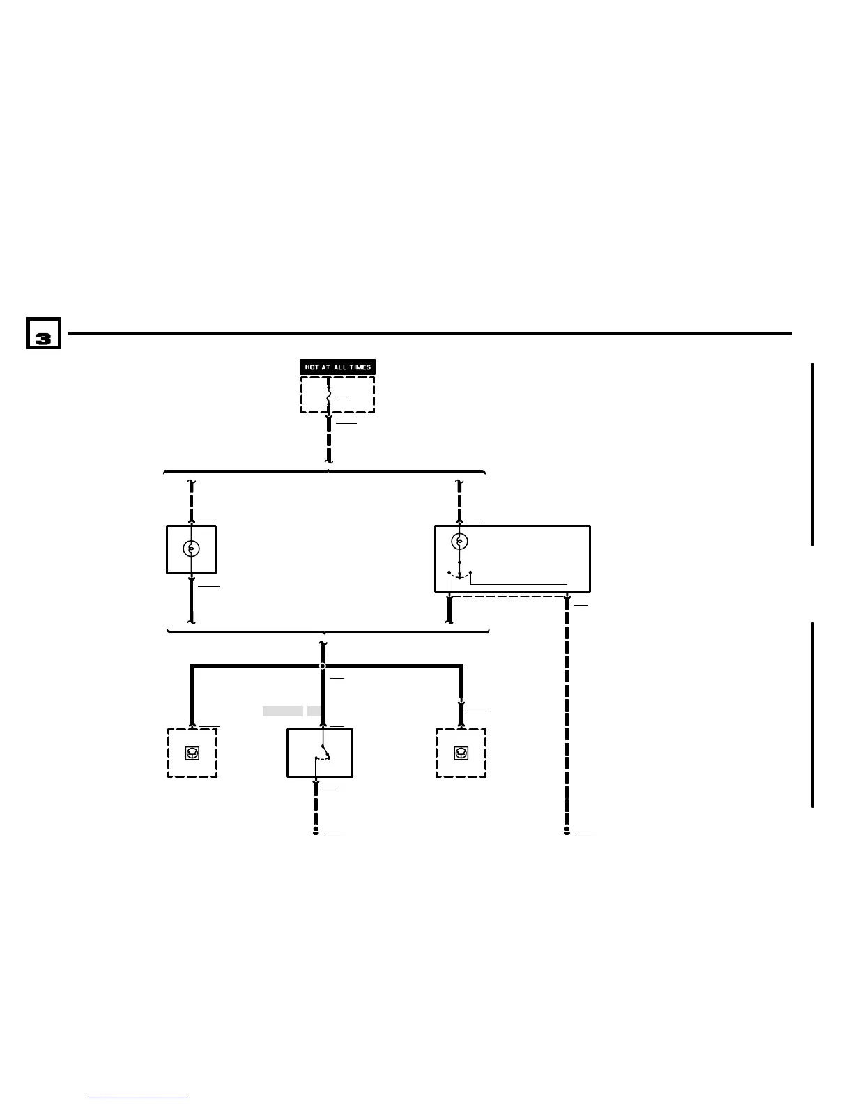
LICENSE PLATE/LUGGAGE COMPARTMENT LIGHTS
06/00
FUSE DETAILS
0670.3
E32
LUGGAGE
COMPARTMENT
LIGHT
0) OFF
1) MANUAL
2) AUTOMATIC
GROUND
DISTRIBUTION
0670.4
P90
FRONT POWER
DISTRIBUTION BOX
6
F33
10A
X13006
X10018
6320.0Ć
2001
03
E32
LUGGAGE
COMPARTMENT
LIGHT
1 X712
1 X18080
.75 BR/WS
2 X712
1
.5 BR/WS
ROADSTER COUPE
3 X712
ROADSTER COUPE
12
0
S826
LUGGAGE COMPART-
MENT LIGHT SWITCH
1) REAR LID CLOSED
2) REAR LID OPEN
2
1
1 X711
2 X711
X465
GROUND
DISTRIBUTION
0670.4
X13006
.5 BR/WS .5 BR/WS
N12w
ANTITHEFT
CONTROL MODULE
(ALPINE)
14 X13254
.75 BR/WS
A104
BODY
ELECTRONICS
CONTROL MODULE
(ZKE IV)
11 X13025

Table of Contents

Other manuals for BMW Z3(E36/7)

Related product manuals