EasyManua.ls Logo

BMW Z3(E36/7) - Page 29

BMW Z3(E36/7)
367 pages
Print Icon
To Next Page IconTo Next Page
To Next Page IconTo Next Page
To Previous Page IconTo Previous Page
To Previous Page IconTo Previous Page
Loading...
2.5 RT/GE
2.5 RT/WS
2.5 RT/WS
BM
BMW
BMWBMW
Z3
0670.2Ć
2001
01
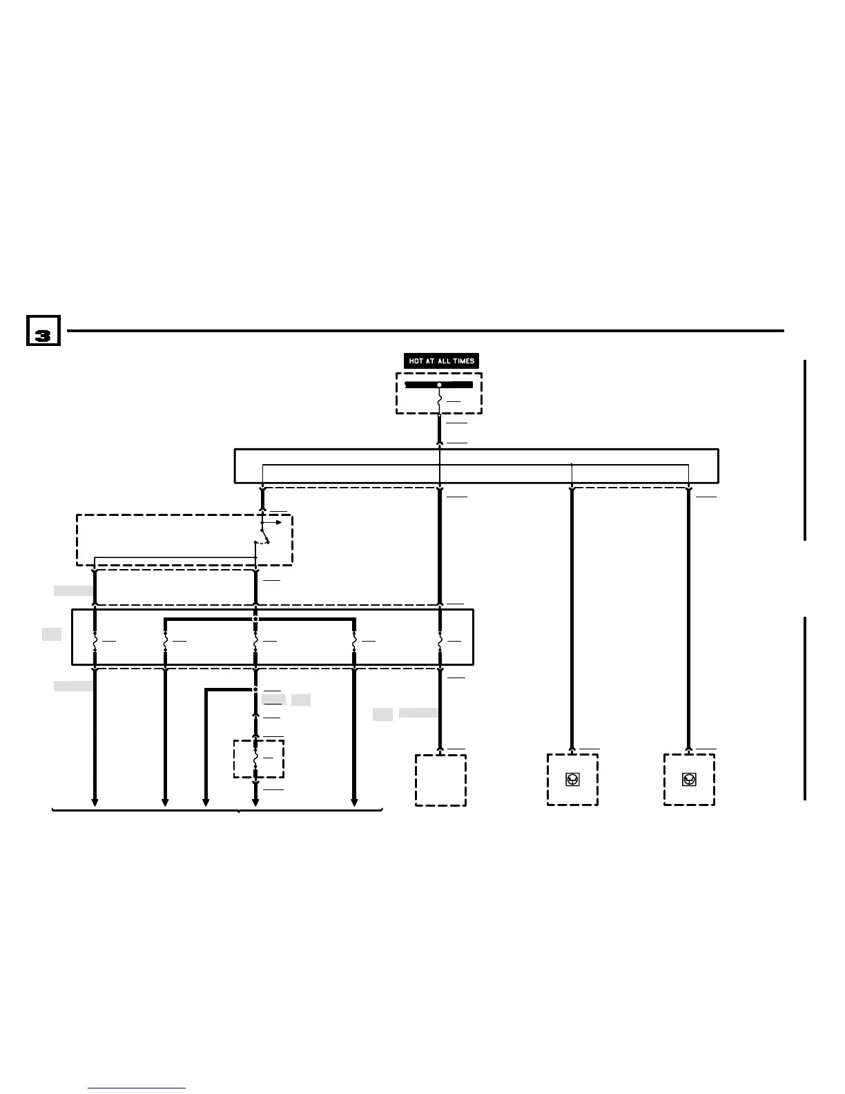
POWER DISTRIBUTION
01/01
G7512
B+ JUNCTION
POINT
F108
80A
X10422
6 RT
K6300
ENGINE CONTROL
MODULE RELAY
G6400
B+ JUNCTION
POINT EBOX
1
X64192
4 RT
6
X6300
2
A7000
TRANSMISSION
CONTROL MODULE
(EGS)
1 RT
7
X70001
2
X64101
A6000
ENGINE CONTROL
MODULE (DME)
1.5 RT
7
X60001
1
P98
FUSE HOLDER IN
EBOX
2.5 RT
9
X8680
1
X64102
4 RT/WS
5
2 X6300
87
30
4
F202
30A
6
F203
20A
4 RT/WS/GE
4 RT/WS
8
1.5 RT/WS
F204
30A
151515
X868010
2.5 RT
F205
30A
30
2
X6021
P90
FRONT POWER
DISTRIBUTION BOX
X10016
6
F13
5A
15
5 X10016
1.5 RT/WS
1.5 RT/WS
.75 RT/WS
2.5 RT/WS
FUSE DETAILS
0670.3
X6961
1210.26 2460.14
2
2.5 RT/WS/GE
15
F201
30A
1
4 RT/WS
5
K6327
INJECTION VALVES
RELAY
6
X6327
1210.26
S54
X6962
S54
S54
1210.27
Z3 VERSIONS

Table of Contents

Other manuals for BMW Z3(E36/7)

Related product manuals