EasyManua.ls Logo

BMW Z3 E37 1998 - Page 100

BMW Z3 E37 1998
347 pages
Print Icon
To Next Page IconTo Next Page
To Next Page IconTo Next Page
To Previous Page IconTo Previous Page
To Previous Page IconTo Previous Page
Loading...
paragon.myvnc.com
BM
BMW
BMWBMW
Z3
04/99
1210.20Ć
1998
08
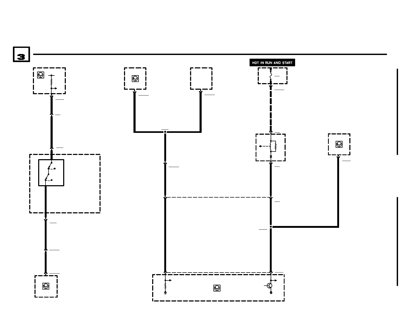
ENGINE CONTROL SYSTEM (DME M5.2, 4CYLINDER M44)
A6000
ENGINE CONTROL
MODULE (DME)
X6000
11
4
15
.5 SW/GR
A6000
ENGINE CONTROL
MODULE (DME)
5 X20
X127
B8y
PRESSURE SWITCH
1) PRESSURE
BELOW 21 BAR
2) PRESSURE
ABOVE 30 BAR
3) PRESSURE
ABOVE 2.6 BAR
4) PRESSURE
BELOW 1.5 BAR
X1271
X100544
.5 VI
.5 SW/GE
B9508
PRESSURE
SWITCH
P90
FRONT POWER
DISTRIBUTION BOX
X10016
12
4 X51
X515
X20
4
36
FUSE DETAILS
0670.3
K19
COMPRESSOR
CONTROL RELAY
.5 SW/BL
.5 SW/BL
.5 SW/BL
X6000
86
85
6
.75 BL/WS
69
A8500
TRANSMISSION
CONTROL MODULE
(EGS)
X8500
46
.5 SW/BL
5 X10054
.5 SW/VI
X8056
X183503
X183492
1 SW/VI1 SW/VI
.5 SW/GE
5 X18350
X189
1 SW/VI
S221
EVAPORATOR
CONTROLLER
S221
EVAPORATOR
CONTROLLER
S220
AIR CONDITION-
ING/RECIRCULAT-
ING SWITCH
ASSEMBLY
F16
5A
31
21
43
31

Related product manuals