EasyManua.ls Logo

BMW Z3 E37 1998 - Page 101

BMW Z3 E37 1998
347 pages
Print Icon
To Next Page IconTo Next Page
To Next Page IconTo Next Page
To Previous Page IconTo Previous Page
To Previous Page IconTo Previous Page
Loading...
paragon.myvnc.com
BM
BMW
BMWBMW
Z3
04/99
1210.20Ć
1998
09
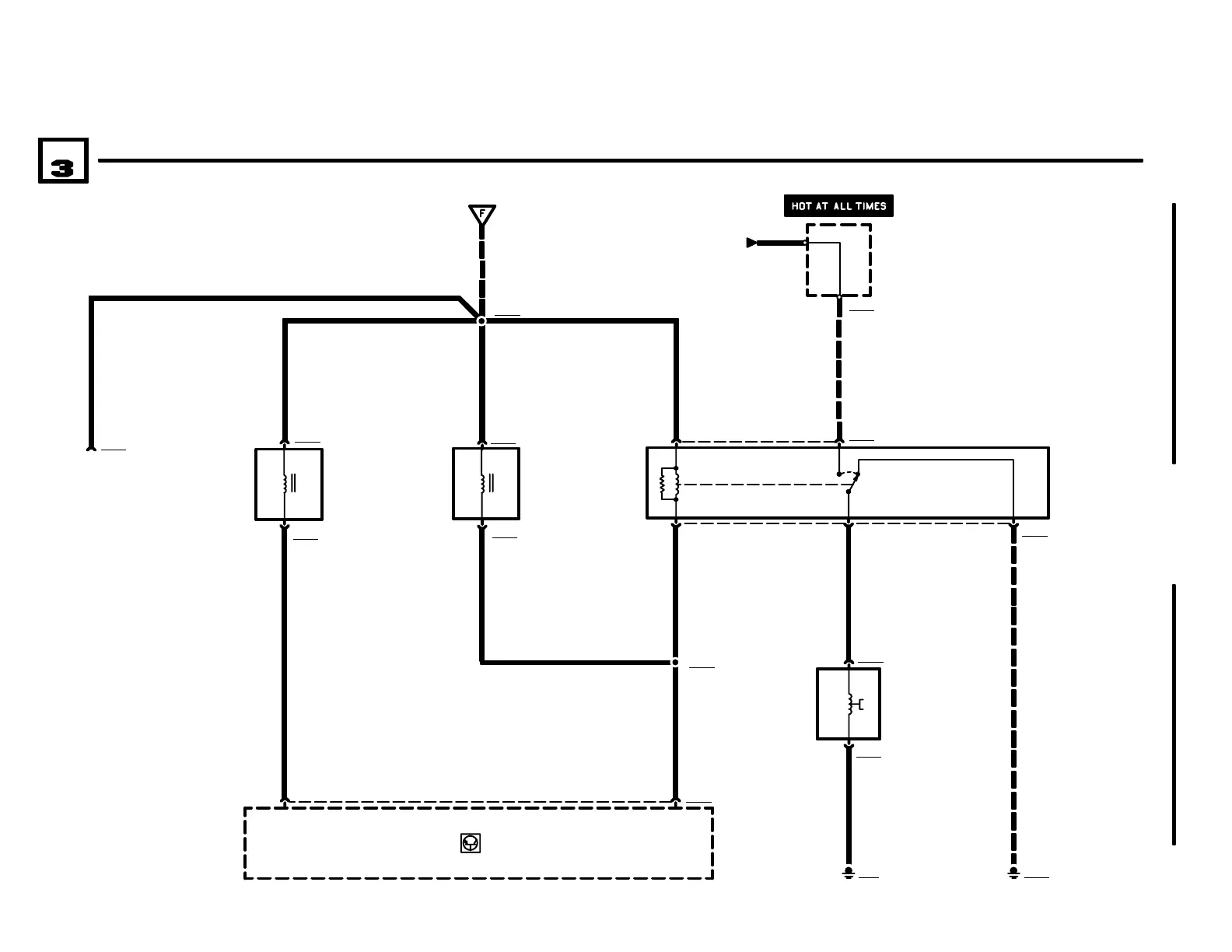
ENGINE CONTROL SYSTEM (DME M5.2, 4CYLINDER M44)
K6304
SECONDARY AIR
PUMP RELAY
G6430
B+ JUMP START
JUNCTION POINT
X861 X6454
9
.5 RT/WS
X6031
NOT USED
GROUND
DISTRIBUTION
0670.4
2 X6263
1 X6263
2 X6163
1 X6163
.5 RT/WS .5 RT/WS
.5 GE/RT
66
Y6263
FUEL CHANGE-
OVER VALVE
Y6163
SECONDARY AIR
PUMP VALVE
.5 BR/WS
82
46
5 X6304
X6304
POWER
DISTRIBUTION
0670.2
X6821
(PARTIAL)
.5 RT/WS
POWER
DISTRIBUTION
0670.2
.5 BR/WS
.5 BR/WS
X6891
4 RT/GE
2 X6133
1 X6133
A6000
ENGINE CONTROL
MODULE (DME)
X6000
64
4 BR
Y6133
AIR PUMP
1210.20-00
X6433

Related product manuals