EasyManua.ls Logo

BMW Z3 E37 1998 - Page 92

BMW Z3 E37 1998
347 pages
Print Icon
To Next Page IconTo Next Page
To Next Page IconTo Next Page
To Previous Page IconTo Previous Page
To Previous Page IconTo Previous Page
Loading...
paragon.myvnc.com
(PARTIAL)
31
BMWBM
BMW
BMWBMW
Z3
2.5 RT/
WS
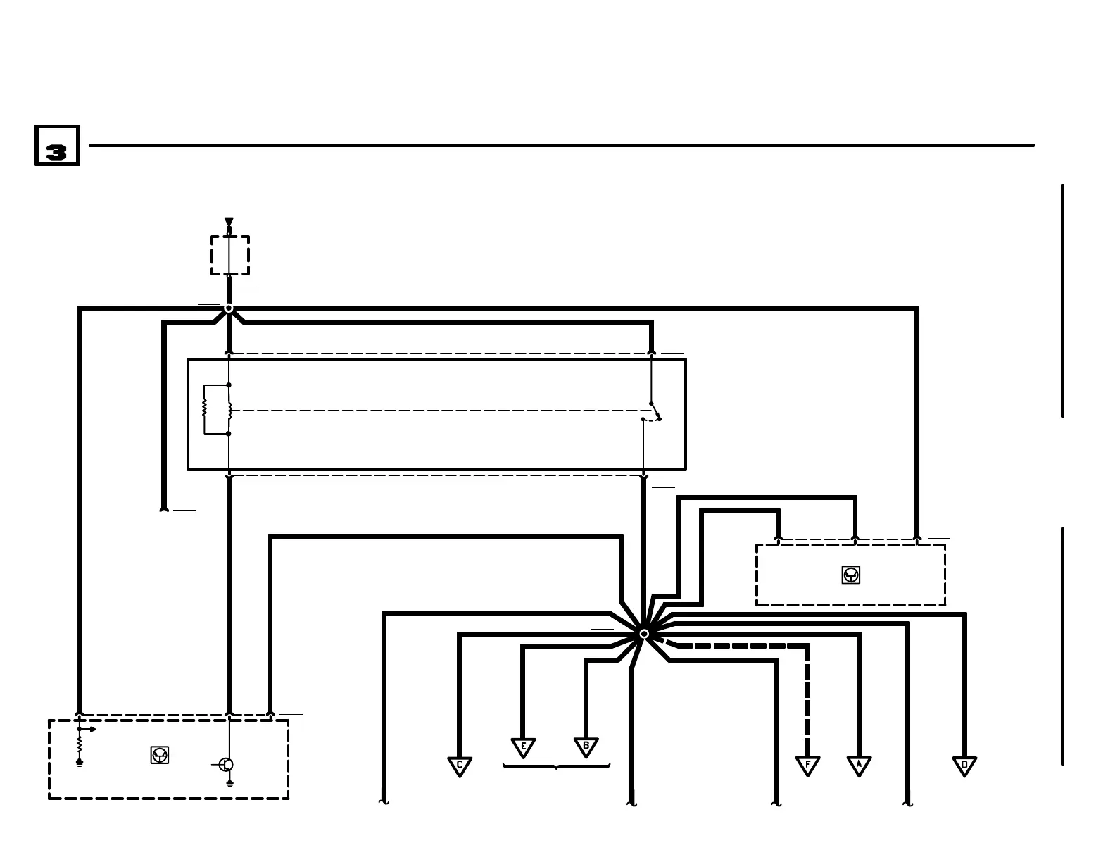
POWER, FUEL INJECTION VALVES
04/99
1210.20Ć
1998
00
ENGINE CONTROL SYSTEM (DME M5.2, 4CYLINDER M44)
POWER
DISTRIBUTION
0670.2
85
86
87
30
K6300
ENGINE CONTROL
MODULE RELAY
X6410
2.5 RT
4
8
6 X6300
26 27
2
X6300
1 RT
.5 BR/WS
54 X6000
X600214
D100
DATA LINK
CONNECTOR
A6000
ENGINE CONTROL
MODULE (DME)
1 RT/WS
4 RT
1210.20-06
4 RT/WS
1.5 RT/WS .5 RT/WS
X6821
.5 RT/WS
55 26 X8500
A8500
TRANSMISSION
CONTROL MODULE
(EGS)
1.5 RT/WS
1 RT
4 RT
.5 GN
1210.20-04
6 RT
2.5 RT/WS
54
1.5 RT/WS
1210.20-04
.35 RT/WS
31
.5 GN
G6430
B+ JUMP START
JUNCTION POINT
1210.20-02
1 RT/WS
X6430
1210.20-09

Related product manuals