EasyManua.ls Logo

BMW Z3 E37 1998 - Page 94

BMW Z3 E37 1998
347 pages
Print Icon
To Next Page IconTo Next Page
To Next Page IconTo Next Page
To Previous Page IconTo Previous Page
To Previous Page IconTo Previous Page
Loading...
paragon.myvnc.com
BMW
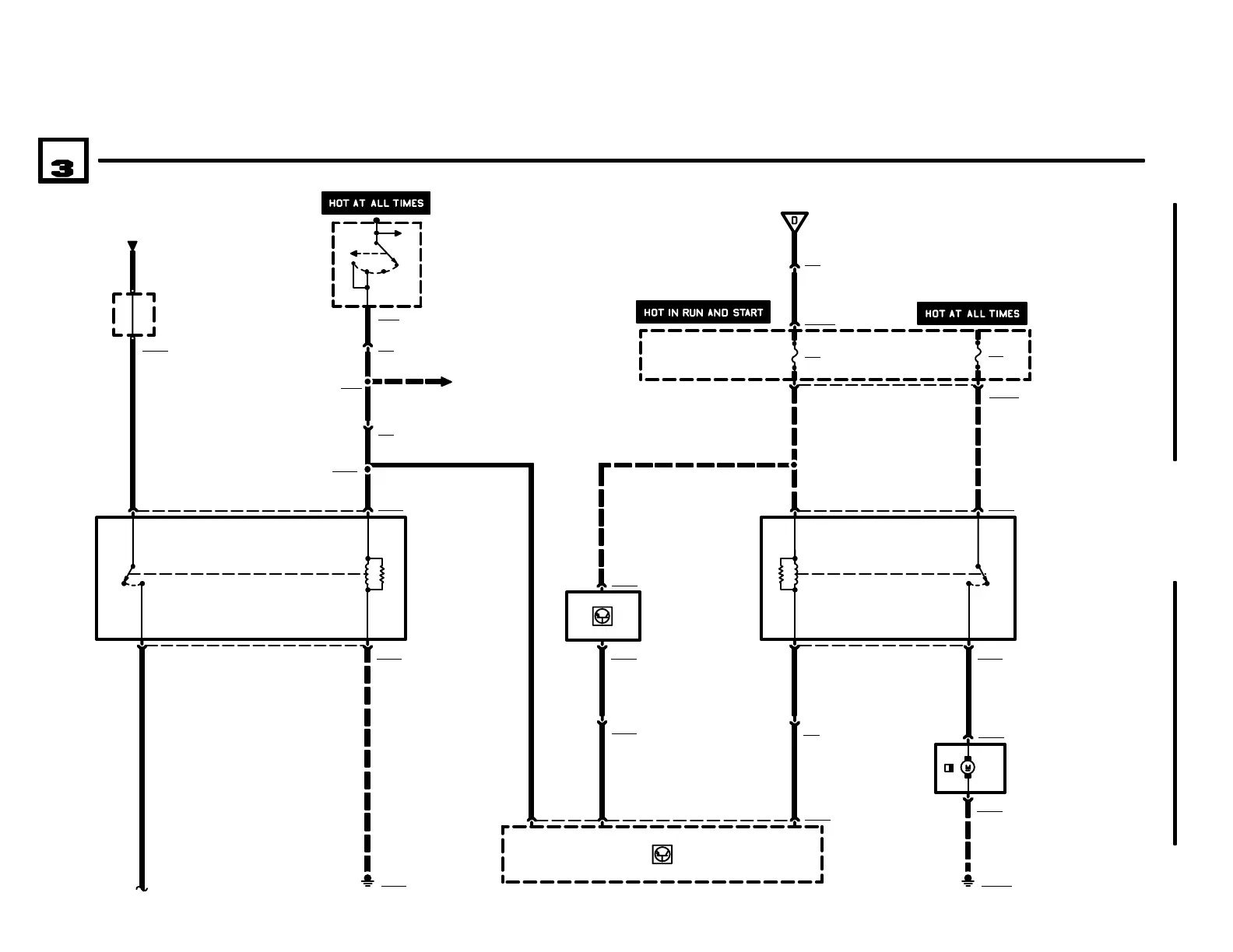
ENGINE CONTROL SYSTEM (DME M5.2, 4CYLINDER M44)
IGNITION COILS AND FUEL PUMP
04/99
1210.20Ć
1998
02
X203
2.5 GN
2.5 GN
S2
IGNITION SWITCH
0) OFF
1) ACCESSORY
2) RUN
3) START
POWER
DISTRIBUTION
0670.2
7
2.5 GN
21 X20
X33
1 X209
15
BMBMWBMWBMW
Z3
2
1
0
3
85
86
87
30
K6326
UNLOADER RELAY,
TERMINAL 15
2
6 8 X6326
56
4
X6326
63 X6000
A6000
ENGINE CONTROL
MODULE (DME)
2.5 RT
POWER
DISTRIBUTION
0670.2
G6430
B+ JUMP START
JUNCTION POINT
2.5 GN
X6454
GROUND
DISTRIBUTION
0670.4
X6832
85
86
87
30
K6301w
FUEL PUMP RELAY
4
8 6 X6301
2
X6301
6
14
5 X10016
16
X10016
M2
FUEL PUMP
F13
5A
F18
15A
P90
FRONT POWER
DISTRIBUTION BOX
FUSE DETAILS
0670.3
FUSE DETAILS
0670.3
4 X6500
X13032
GROUND
DISTRIBUTION
0670.4
1
X6500
X6433
2.5 GN
.5 GN
.5 GN
1 RT/WS
.5 RT/WS
X20
.5 BR/GN
X20
13
.5 GN/VI
2.5 GN/VI
1210.20-00
B6247
CHARCOAL FILTER
SHUTOFF VALVE
2 X6247
1
X6247
2
X6031
65
.5 GN/BL
.5 GN/BL
FUSE DETAILS
0670.3

Related product manuals