EasyManua.ls Logo

BMW Z3 E37 1998 - Page 95

BMW Z3 E37 1998
347 pages
Print Icon
To Next Page IconTo Next Page
To Next Page IconTo Next Page
To Previous Page IconTo Previous Page
To Previous Page IconTo Previous Page
Loading...
paragon.myvnc.com
04/99
1210.20Ć
1998
03
2.5 GN
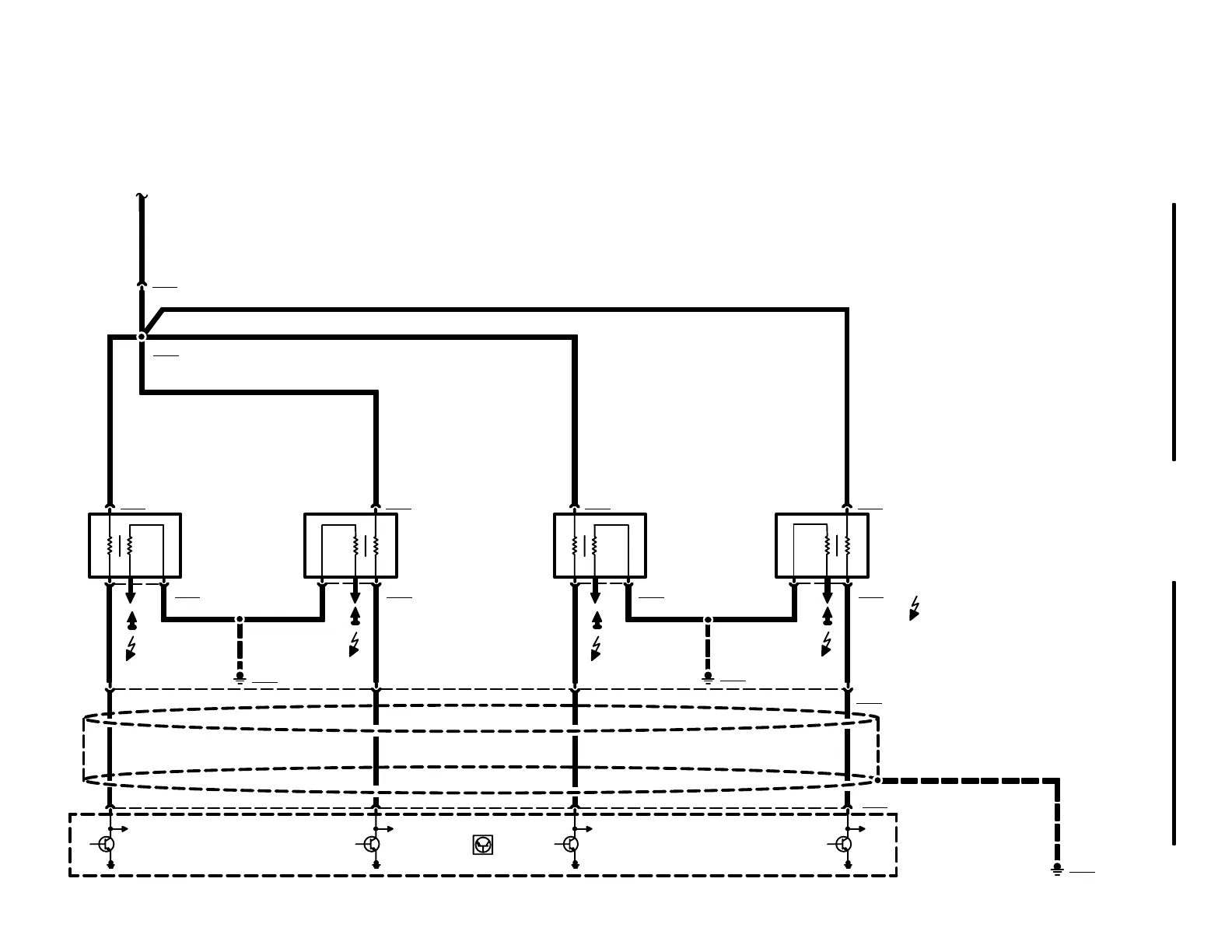
3 X6151 3 X6152 3 X6154
1
T6151
CYL. 1 IGNITION
COIL
T6152
CYL. 2 IGNITION
COIL
T6154
CYL. 4 IGNITION
COIL
X6151
3 X6153
1
T6153
CYL. 3 IGNITION
COIL
2
X6153
2 1 X6152 2 1 X6154
1 GN 1 GN
2
W6165
SHIELD UP TO
10mm BEFORE
IGNITION COIL
CONNECTOR
49
X6456
GROUND
DISTRIBUTION
0670.4
50 22
X6456
GROUND
DISTRIBUTION
0670.4
23
1 BR 1 BR
1 GN
1 WS 1 RT 1 GE
SPARK PLUGS
1 GN
A6000
ENGINE CONTROL
MODULE (DME)
1 BR1 BR
1 BL
1 7 5 X61506
2 X6150
2.5 GN
X6454
X6000
1.5
WS
1 .5 RT 1.5 GE 1.5 BL
X6833
31 31 31 31

Related product manuals