EasyManua.ls Logo

BMW Z3 E37 1998 - Page 205

BMW Z3 E37 1998
347 pages
Print Icon
To Next Page IconTo Next Page
To Next Page IconTo Next Page
To Previous Page IconTo Previous Page
To Previous Page IconTo Previous Page
Loading...
paragon.myvnc.com
BM
BMW
BMWBMW
Z3
07
04/99
6211.0Ć
1998
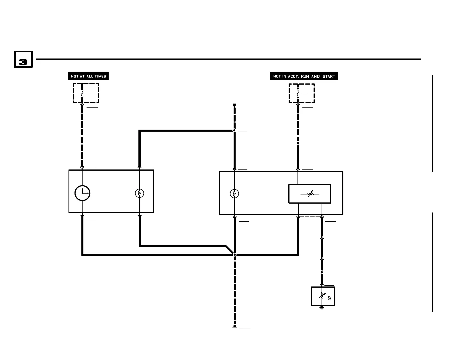
INSTRUMENT CLUSTER
CONSOLE INSTRUMENTS
P90
FRONT POWER
DISTRIBUTION BOX
F46
15A
3
X9002
B59
OIL TEMPERATURE
GAUGE
32
X10018
X10059
FUSE DETAILS
0670.3
2
.5 GR/RT
1
.5 BR
1 X6238
1
.35 BR/SW
X20
2 1
X10010
GROUND
DISTRIBUTION
0670.4
X10059
.5 VI/GE
B6238
OIL TEMPERATURE
SENSOR
X6849
1
.5 BR/SW
.35 BR/SW
.5 BR/RT
LIGHT SWITCH
DETAILS
6300.0
58g
P90
FRONT POWER
DISTRIBUTION BOX
F7
5A
14
X10015
FUSE DETAILS
0670.3
N5
ANALOG CLOCK
2
.5 GR/RT
X90032 X1155
X11551
.5 BR
1
.5 BR
X9002
.5 BR
X9003
X19245
X9806
M ROADSTER

Related product manuals