EasyManua.ls Logo

BMW Z3 E37 1998 - Page 208

BMW Z3 E37 1998
347 pages
Print Icon
To Next Page IconTo Next Page
To Next Page IconTo Next Page
To Previous Page IconTo Previous Page
To Previous Page IconTo Previous Page
Loading...
paragon.myvnc.com
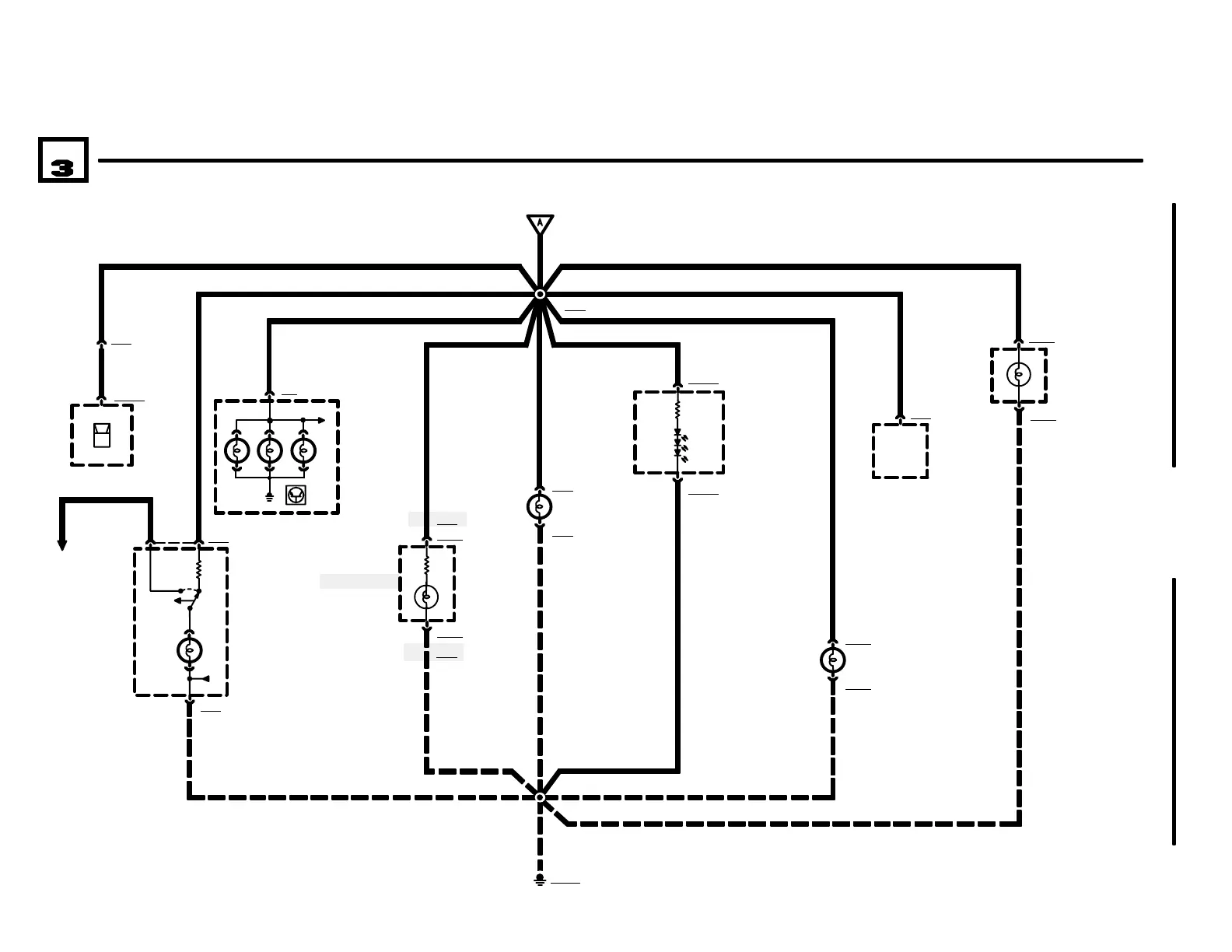
Z3 ROADSTER
X5214
X5212
31
BM
BMW
BMWBMW
Z3
04/99
6300.0Ć
1998
01
4 X516
2 X16
A2w
INSTRUMENT
CLUSTER
S18
HAZARD SWITCH
1) OFF
2) ON
.5 GR/RT.5 GR/RT
13 X18126
N9
RADIO
.5 GR/RT
X5163
GROUND
DISTRIBUTION
0670.4
X1439
E96
GEAR SHIFT
LEVER INDICATOR
.5 GR/RT
2
LIGHT SWITCH DETAILS
X898
S76
REAR WINDOW
DEFOGGER
SWITCH
.5 GR/RT
7
E25
FRONT ASHTRAY
LIGHT
2 X1213
1 X1213
GROUND
DISTRIBUTION
0670.4
5 X322
.5 GR/RT
5
TURN/HAZARD
LIGHTS
6313.0
.5 BL/GN
.5 GR/RT
21
E29
FRONT CIGAR
LIGHTER LIGHT
1 X532
2 X532
6300.0-00
X878
.5 GR/RT
1.5 GR/RT
X18170
GROUND
DISTRIBUTION
0670.4
1 X13045
X130454
S143
CONVERTIBLE TOP
ACTUATING
SWITCH
.5 GR/RT
.5 BR
1 X1439
GROUND
DISTRIBUTION
0670.4
X2227
S6
ASC SWITCH
3
2 X2227
.5 GR/RT
GROUND
DISTRIBUTION
0670.4
M ROADSTER

Related product manuals