EasyManua.ls Logo

BMW Z3 E37 1998 - Page 216

BMW Z3 E37 1998
347 pages
Print Icon
To Next Page IconTo Next Page
To Next Page IconTo Next Page
To Previous Page IconTo Previous Page
To Previous Page IconTo Previous Page
Loading...
paragon.myvnc.com
BM
BMW
BMWBMW
Z3
1
2
6
5
X17
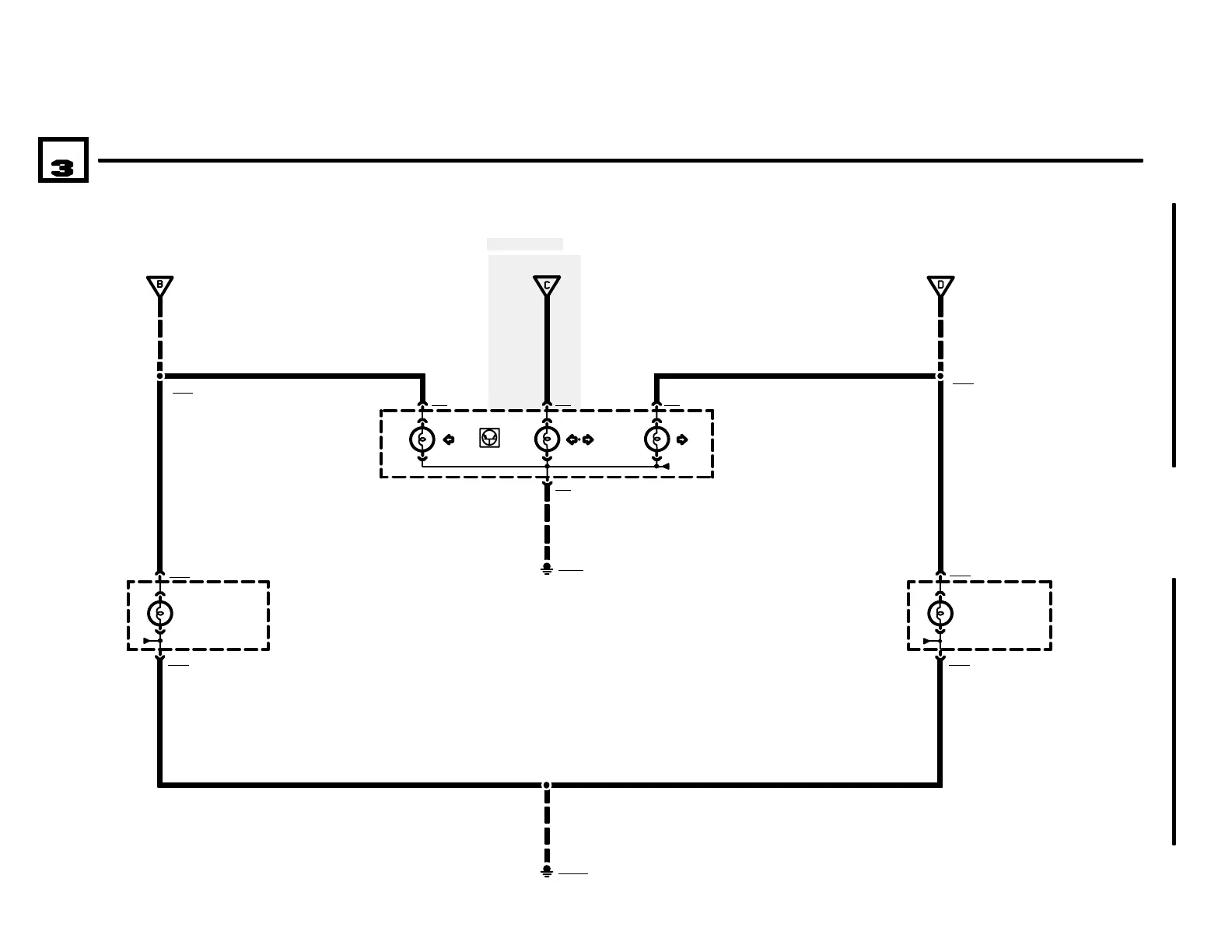
TURN/HAZARD LIGHTS
04/99
6313.0Ć
1998
03
H6
LEFT REAR TURN
LIGHT
GROUND
DISTRIBUTION
0670.4
E16
LEFT REAR LIGHT
ASSEMBLY
H5
RIGHT REAR TURN
LIGHT
E17
RIGHT REAR LIGHT
ASSEMBLY
X319
X318
X13006
X16
A2w
INSTRUMENT
CLUSTER
.5 WS/RT
.5 BL/GN
3
34
X16
X17
X185
.5 BL/BR
.75 BL/BR
X318
X184
.75 BL/GN
X319
(PARTIAL)
1
6313.0-02
6313.0-00 6313.0-02
1.5 BR
GROUND
DISTRIBUTION
0670.4
(PARTIAL)
1.5 BR
X9633
6313.0-00
Z3 ROADSTER

Related product manuals