EasyManua.ls Logo

BONFIGLIOLI HDP Series

BONFIGLIOLI HDP Series
178 pages
To Next Page IconTo Next Page
To Next Page IconTo Next Page
To Previous Page IconTo Previous Page
To Previous Page IconTo Previous Page
Loading...
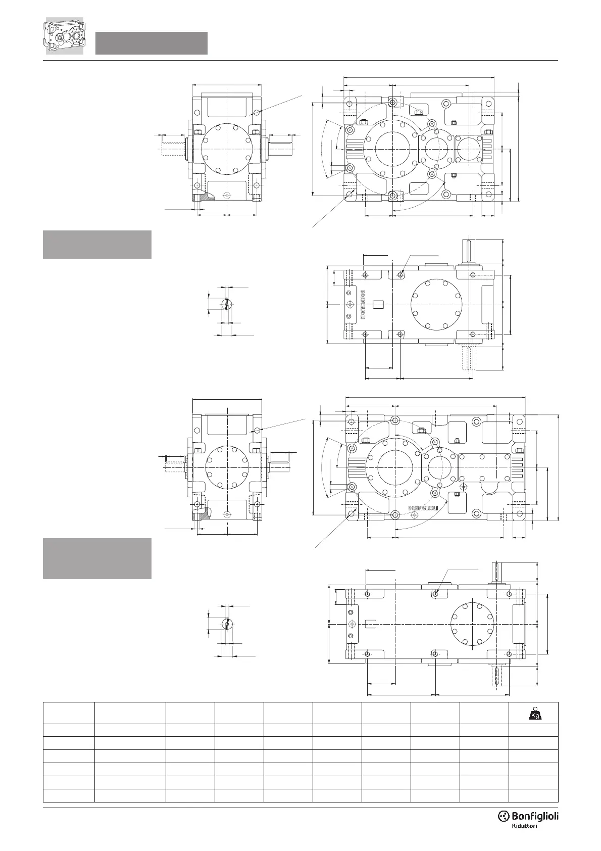
160
N°4 x Ø 39
G
G
N°4+4 x Ø 39
216 216
E
E
500
B h9
Ø A
D
C
283283
110
Ø 425 h7
305305FF
N° 6 M36
432
530490
200
Ø 680
N°4+4 x Ø 39
50
48°
1290
355 730
265265
760
50
90780200
40
M36 x 60
24°
57° 30
57° 30
380
HDP 130 2
VP i= ABCDEFG
HDP 130 2 7.3 12.3
90 m6 25 95 M24x50 160 170 5 1695
HDP 130 2 14.1 21.7
70 m6 20 74.5 M20x42 125 140 7.5 1695
HDP 130 3 21.8 48.1
65 m6 18 69 M20x42 125 140 7.5 1810
HDP 130 3 56.5 108.3
50 k6 14 53.5 M16x36 100 110 5 1810
HDP 130 4 111.2 237.9
42 k6 12 45 M16x36 100 110 5 1845
HDP 130 4 274.5 534.5
32 k6 10 35 M12x28 70 80 5 1845
HDP 130 3
HDP 130 4
N°4 x Ø 39
216 216
E
G
EG
N°4+4 x Ø 39
500
B h9
Ø A
D
C
N° 6 M36
432
530255
200
283283
110
Ø 425 h7
305305FF
Ø 680
1095
355 555
29
265265
760
50
90585200
N°4+4 x Ø 39
40
50
48°
M36 x 60
24°
57° 30
57° 30
380
HDP 130

Other manuals for BONFIGLIOLI HDP Series

Related product manuals