EasyManua.ls Logo

Bosch CA Series - Schematic

Bosch CA Series
48 pages
Print Icon
To Next Page IconTo Next Page
To Next Page IconTo Next Page
To Previous Page IconTo Previous Page
To Previous Page IconTo Previous Page
Loading...
Installation, Operation, and Maintenance Manual
CA Series Heat Pumps -8733851021 (2025/04) US
| 39
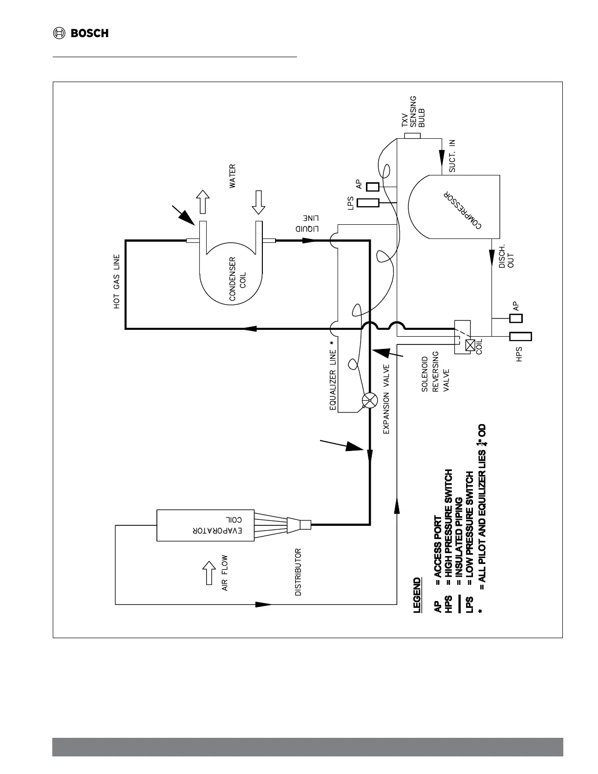
26 Schematic
WATER COIL FREEZE
SENSOR (CVC)
AIR COIL FREEZE
SENSOR (UPM)
WATER COIL FREEZE SENSOR (UPM)
Figure 13

Table of Contents

Related product manuals