EasyManua.ls Logo

Bosch CM8S - Familiarisez-Vous Avec Votre Scie À Onglet

Bosch CM8S
148 pages
Print Icon
To Next Page IconTo Next Page
To Next Page IconTo Next Page
To Previous Page IconTo Previous Page
To Previous Page IconTo Previous Page
Loading...
59
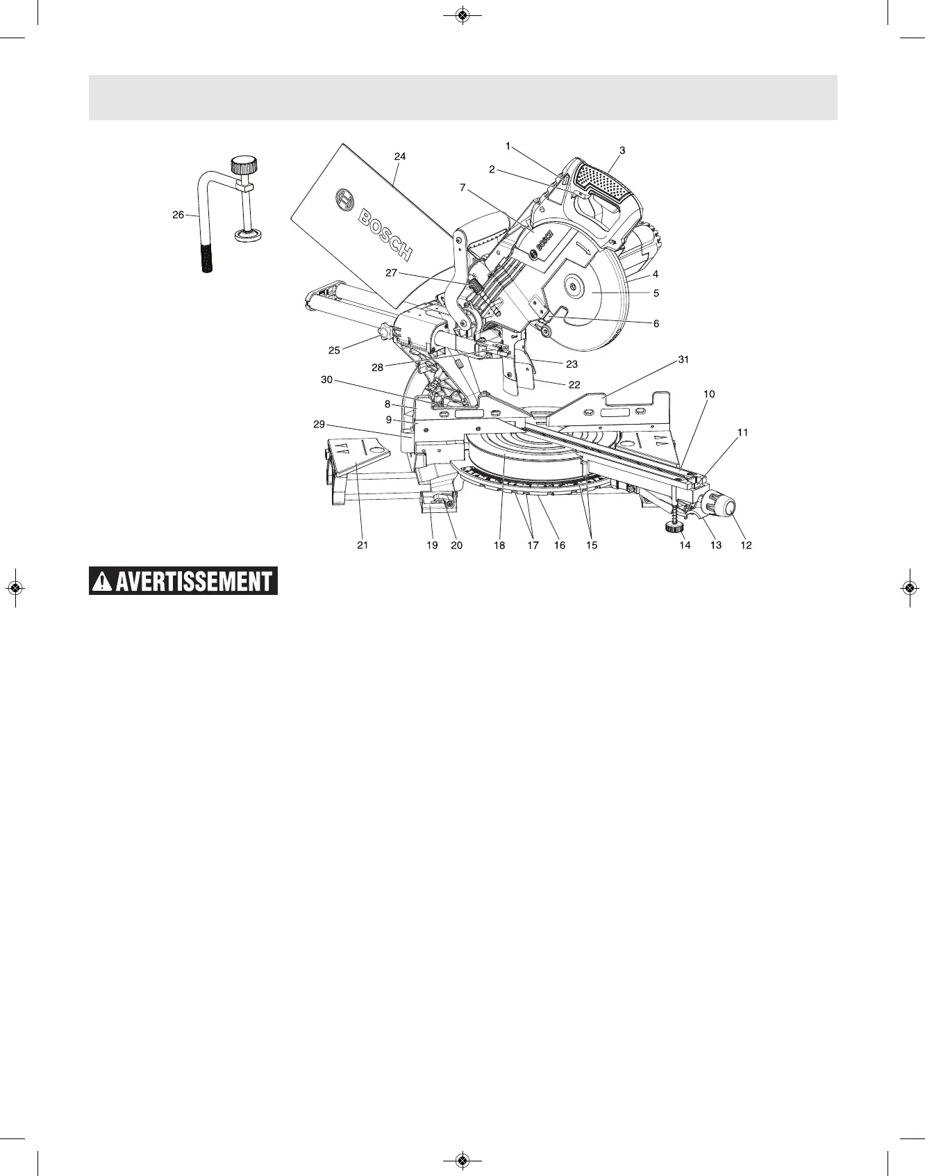
Pour éviter les blessures
résultant d’une mise en
marche accidentelle, bran chez la fiche de la prise de
courant avant d’effectuer quelque réglage que ce soit.
1. Boutons de libération du cadenas de l’interrupteur
Vous devez appuyer sur un de ces deux boutons avant de
pouvoir appuyer sur l’interrupteur d’alimentation.
2. Interrupteur L’interrupteur utilisé avec le bouton de
blocage à l’arrêt « Lock-OFF » met la scie sous tension.
3. Poignée principale – Cette poignée comprend
l’interrupteur. Abaissez-la pour faire descendre la lame et
la faire pénétrer dans la pièce.
4. Protecteur inrieur de lame Le protecteur inférieur de
lame aide à protéger vos mains contre la lame en rotation.
Il se rétracte au fur et à mesure que la lame est abaissée.
5. Lame Utilisez seulement des lames de 8-1/2 po (216
mm) de diamètre) avec un trou d’arbre de 5/8 po (15,8
mm) de diamètre.
6. flecteur de copeaux Empêche les débris coupés de
l’ouvrage de pénétrer à l’intérieur du dispositif de
protection supérieur.
7. Dispositif de protection supérieur Recouvre la partie
supérieure de la lame.
8. Guide coulissant de gauche – Supporte l’ouvrage. Le
guide possède une échelle graduée incor poe pour
faciliter les coupes à répétition. Le guide comporte
également des trous qui servent à fixer un guide auxiliaire,
si désiré.
9. Guide fixe Le guide fixe est assujetti à la base par des
boulons et il assure le soutien de l’ouvrage lorsque le
guide coulissant est retiré.
10. Inserts d’encoche Les inserts d’encoche peuvent être
ajustés à difrentes largeurs de lame afin de réduire au
minimum les risques d’arrachement de l’ouvrage.
11. Court-circuitage du cran d’art d’onglet Permet
d’inhiber le cran d’arrêt et d’ainsi effectuer des micro-
glages à tout angle d’onglet.
12.Bouton de blocage d’onglet Le bouton de blocage
d’onglet bloque la table de la scie à onglet à tout angle
d’onglet désiré.
13.Levier de cran d’onglet Ce levier efface le cran,
permettant ainsi de libérer la table.
14.Pied de stabilisation avant Fournit plus de support et de
stabili lors des coupes coulissantes.
15.Échelle d’onglet/Pointeur d’onglet Le pointeur tourne
avec la table et la lame. L’aiguille est dirigée vers
l’échelle d’onglet pour indiquer le paramètre d’angle
avant qu’une coupe ne soit effectuée.
16.Plaque de détente d’onglet La position de la plaque
peut être ajustée pour fixer le degré d’exactitude de ses
emplacements de détente.
17.Crans d’onglet – Il y a dix (10) encoches pour crans
d’onglet permettant de se régler rapidement et
précisément aux angles d’onglet les plus courants.
18.Table – Repose dans la base, supporte l’ouvrage, tourne
pour coupes à onglet désirées et tourne la tête. La partie
avant prolongée de la table est appee le bras d’onglet.
19.Coussinets de montage de l’outil Les quatre coins de
la scie comportent des surfaces permettant de
cramponner, boulonner ou clouer la scie à une surface de
travail plate.
20. Leviers de fixation de l’extension de la base
Verrouille les extensions de la base aux positions
sies.
21. Extensions coulissantes de la base Fournit un
soutien suppmentaire pour l’ouvrage. Utile pour
couper des matériaux très longs.
Familiarisez-vous avec votre scie à onglet
2610051821.qxp_BM CM8S 9/19/18 2:55 PM Page 59

Related product manuals