EasyManua.ls Logo

Branson DCX A Series - Figure 5.9 Typical Digital I;O Wiring Examples; Figure 5.10 Typical Analog I;O Wiring Examples

Branson DCX A Series
188 pages
Print Icon
To Next Page IconTo Next Page
To Next Page IconTo Next Page
To Previous Page IconTo Previous Page
To Previous Page IconTo Previous Page
Loading...
68 100-412-197 REV. 07
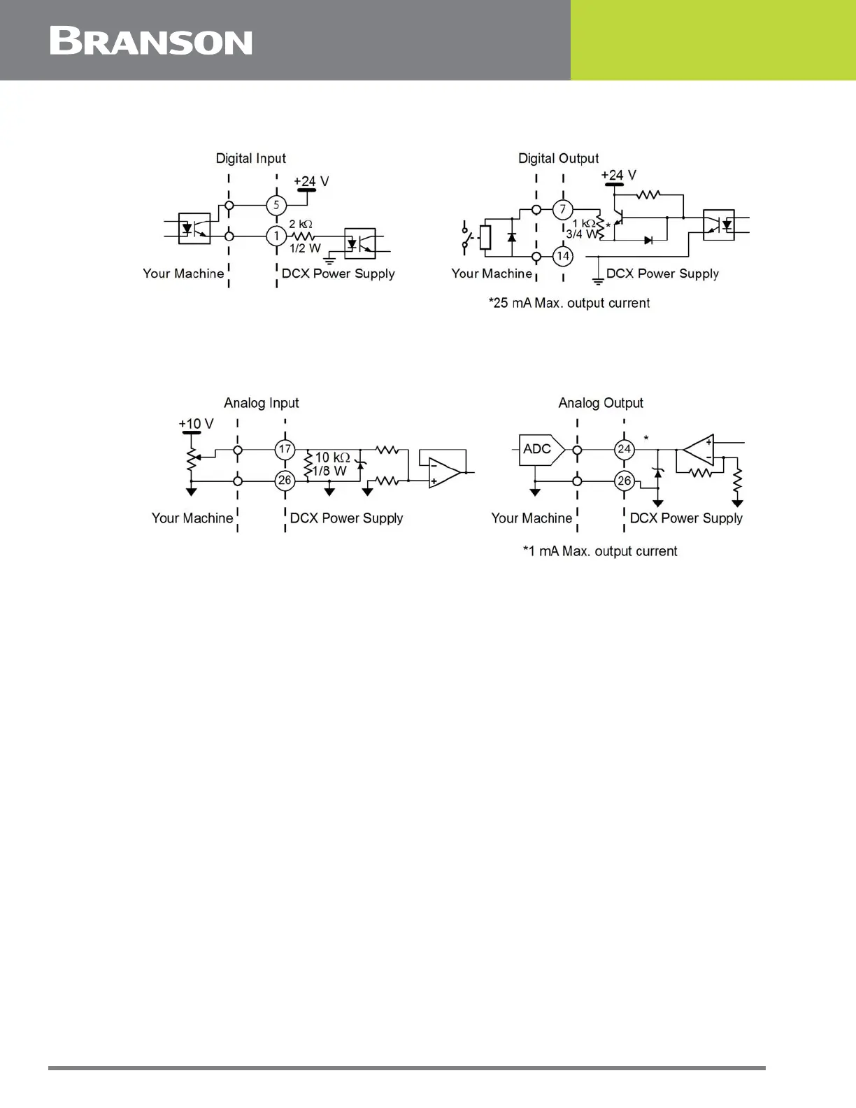
5.3.13 Typical Digital I/O Wiring Examples
Figure 5.9 Typical Digital I/O Wiring Examples
5.3.14 Typical Analog I/O Wiring Examples
Figure 5.10 Typical Analog I/O Wiring Examples

Table of Contents

Related product manuals