EasyManua.ls Logo

Brixton BX125 - Page 99

Brixton BX125
148 pages
Print Icon
To Next Page IconTo Next Page
To Next Page IconTo Next Page
To Previous Page IconTo Previous Page
To Previous Page IconTo Previous Page
Loading...
- 98 -
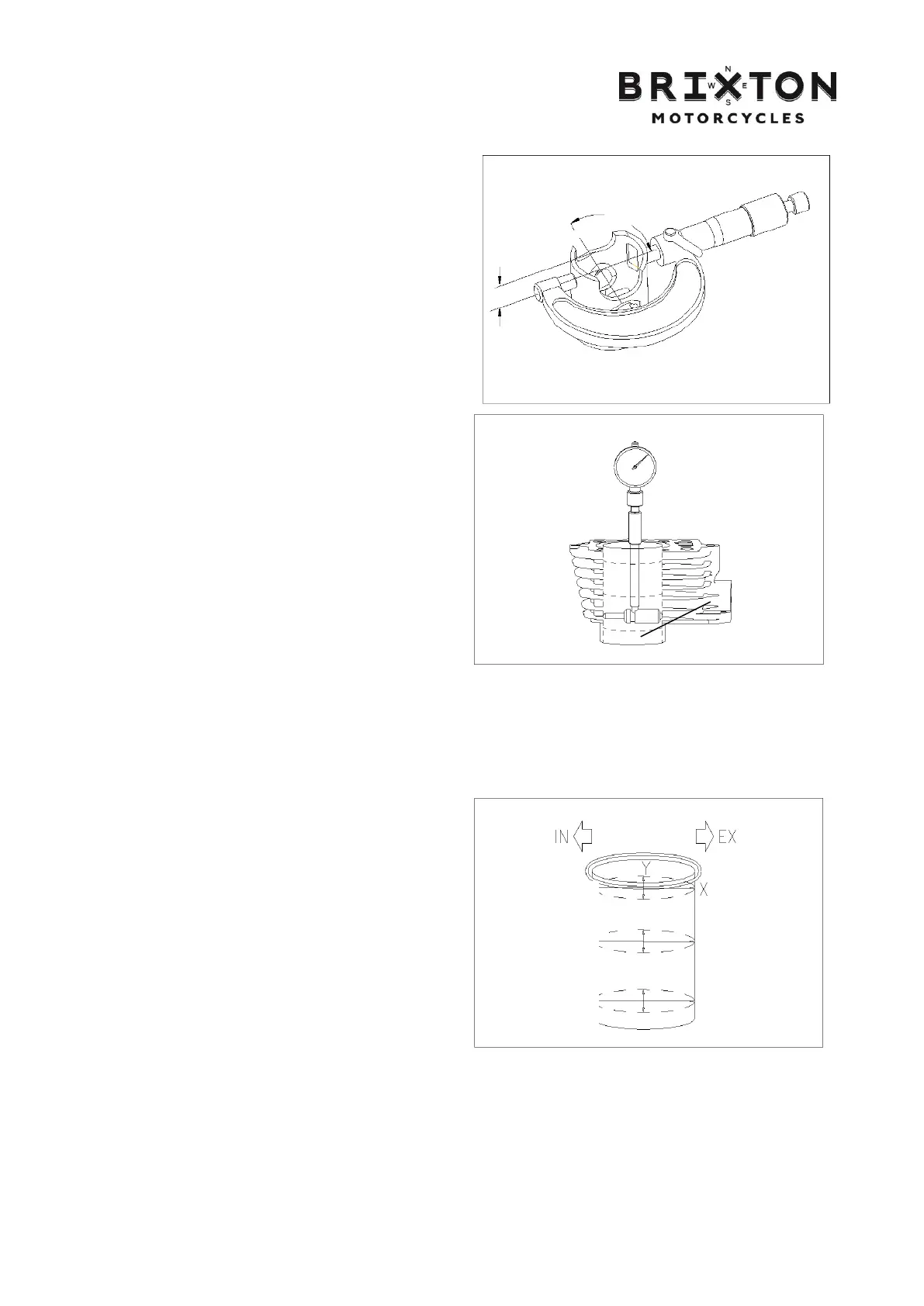
Measure piston OD.
Attention:
Measurement is made at such position as to
form 90° with piston pin and around 11mm
from the piston skirt bottom.
Allowable limit: Φ57.26mm
Inspection of cylinder inner wall scratch and
wearing.
Attentions:
Measure cylinder inner diameter at upper,
middle and lower positions at 90° with the piston
pin.
Allowable limit: Φ57.351mm
Measure the stroke between the cylinder and piston,
and the maximum value prevails.
Allowable limit: 0.07mm
Measure the roundness of cylinder inner wall
(difference between X ID and Y ID).
Allowable limit: 0. 01mm
Measure the cylindricality of cylinder inner wall (ID
difference at the upper, middle and lower positions
between X and Y).
Allowable limit: 0. 01mm
90°
11mm
测试计
Upper
Middle
Lower
KS MOTORCYCLES - http://ksmotorcycles.com

Table of Contents

Related product manuals