EasyManua.ls Logo

Brooks MT 3809 - Transmitter with Alarm and Pulse Outputs Wiring Diagram

Brooks MT 3809
72 pages
Print Icon
To Next Page IconTo Next Page
To Next Page IconTo Next Page
To Previous Page IconTo Previous Page
To Previous Page IconTo Previous Page
Loading...
1-13
Section 1 Introduction
Models MT 3809 & 3819
Installation and Operation Manual
X-VA-MT3809-3819-eng
Part Number: 541B049AHG
September, 2008
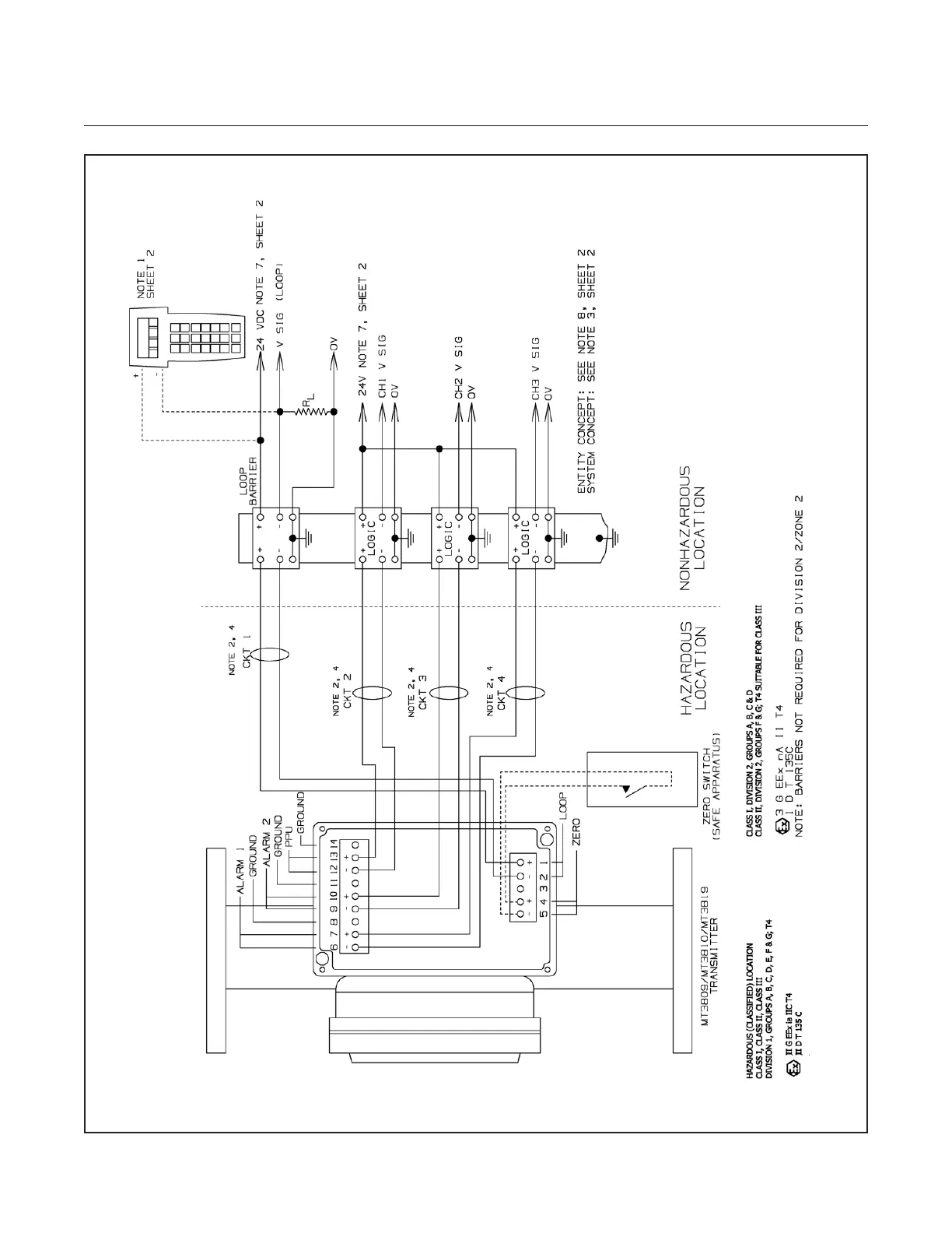
Figure 1-5 Transmitter with Alarm and Pulse Outputs Wiring Diagram
Ref. No.981Y005 - Rev. F Sheet 1 of 2

Table of Contents

Related product manuals