EasyManua.ls Logo

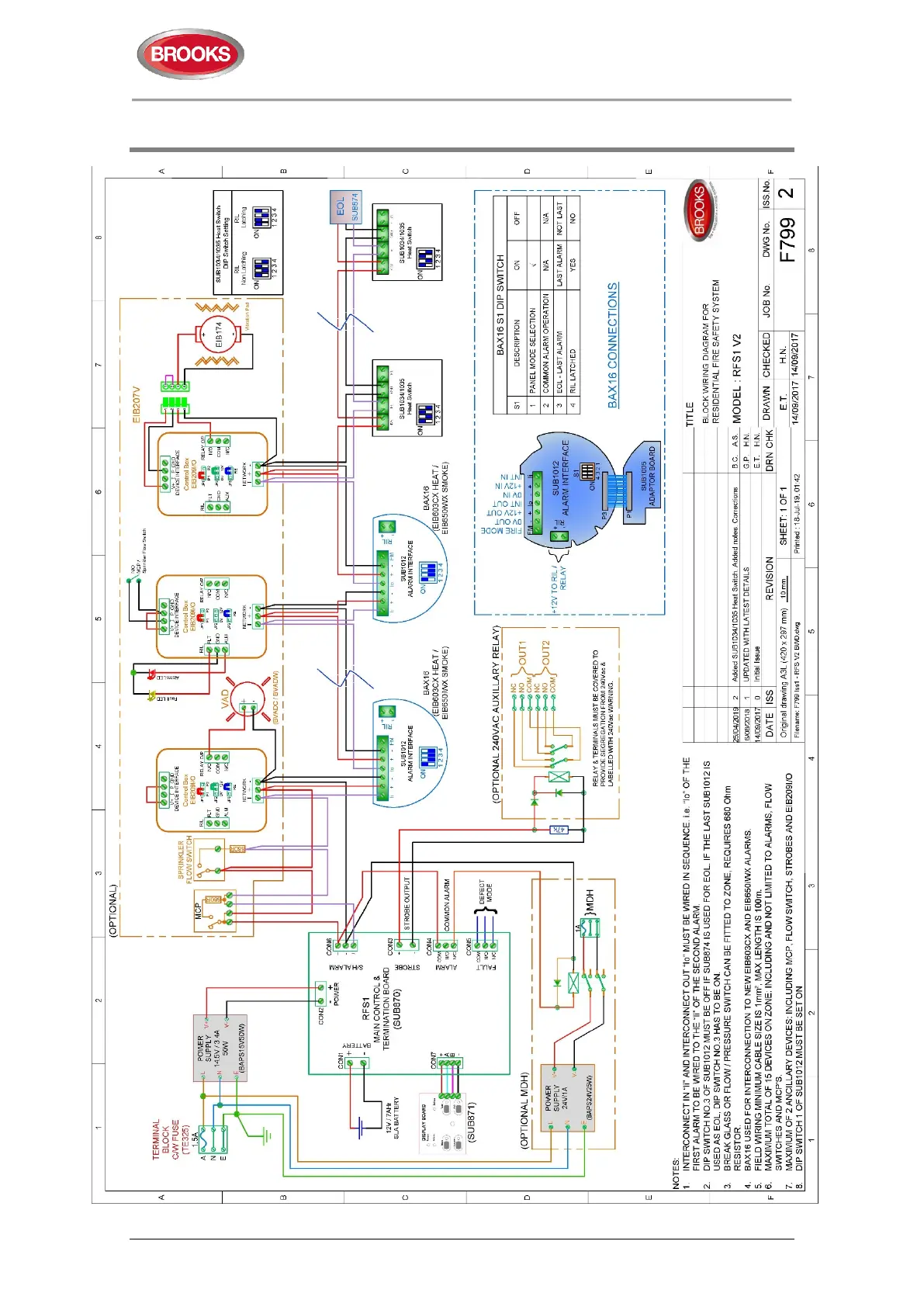
Brooks RFS1 V2 - 10 Block Wiring Diagram; Figure 18 RFS1 V2 Block Wiring Diagram

Default Icon
46 pages
Print Icon
To Next Page IconTo Next Page
To Next Page IconTo Next Page
To Previous Page IconTo Previous Page
To Previous Page IconTo Previous Page
Loading...
Operation & Installation Manual RFS1 V2
MA365 Rev 3
38 of 46
10 Block Wiring Diagram
Figure 18 RFS1 V2 Block Wiring Diagram

Table of Contents