EasyManua.ls Logo

BURNiT Pell 25 - Materials

BURNiT Pell 25
36 pages
Print Icon
To Next Page IconTo Next Page
To Next Page IconTo Next Page
To Previous Page IconTo Previous Page
To Previous Page IconTo Previous Page
Loading...
TECHNICAL PASSPORT. INSTALLATION and OPERATION MANUAL
TECHNICAL PASSPORT. INSTALLATION and OPERATION MANUAL
6
;
CAUTION!Hotsurface!
Risk of burns if you touch the
running system. Burner housing,
body and flange are hot surfaces
during burner operation.
It is strictly prohibited to open
boiler inspection doors with the
burner running.
Also, exercise caution when
touching the observation port for
monitoring the burning process.
It may be hot.
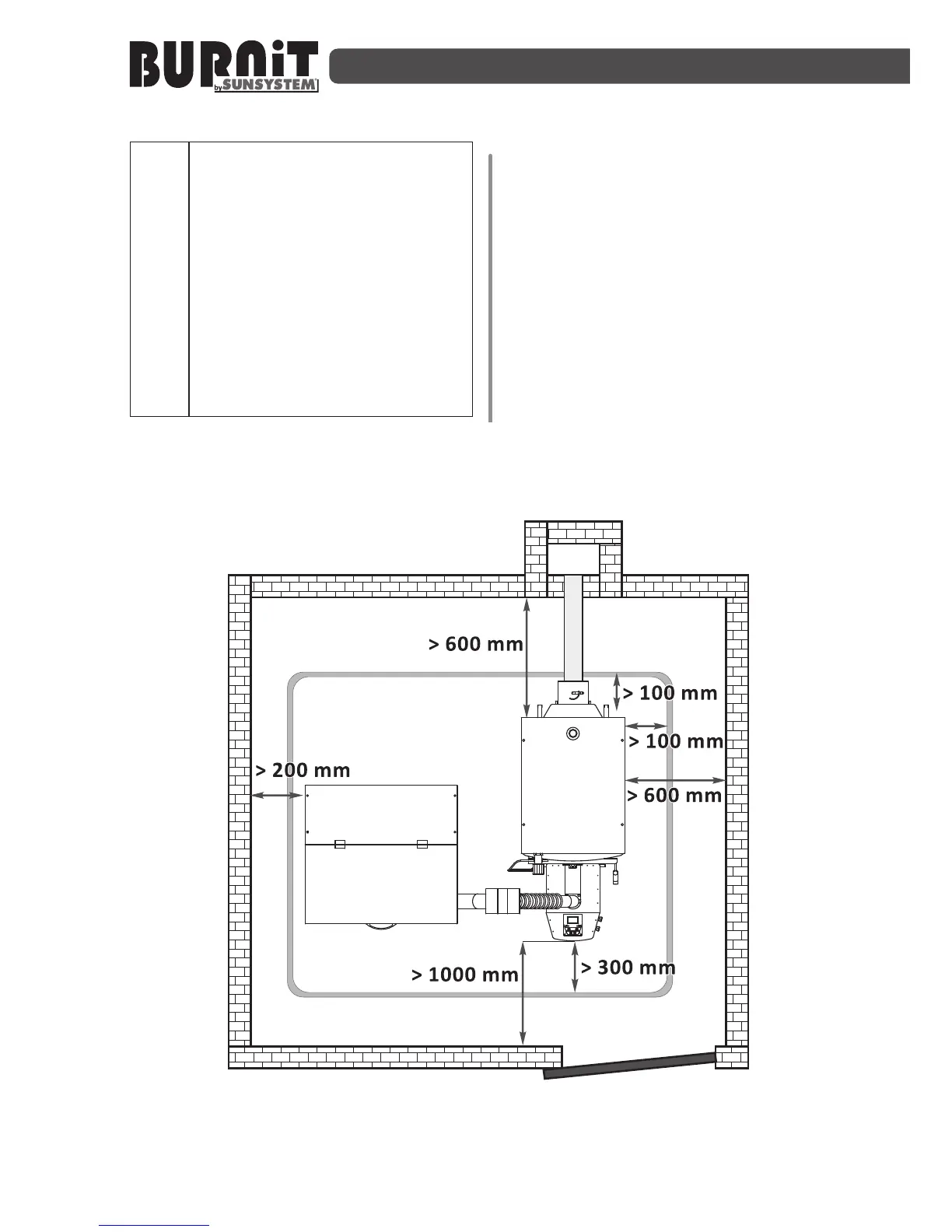
1.2.3. Minimum clearances for
installaon and combusbility of
construconmaterials
The applicable minimum clearances in
your country may dier from the ones
specied below. Please, consult your
installer.
The minimum distance from the burner,
heang boiler or exhaust gas pipe to
objects or walls must be at least 200 mm.
Diagram 1
Recommended clearances between the boiler with mounted burner and walls.

Related product manuals