EasyManua.ls Logo

Calpeda NMS - Page 86

Calpeda NMS
Print Icon
To Next Page IconTo Next Page
To Next Page IconTo Next Page
To Previous Page IconTo Previous Page
To Previous Page IconTo Previous Page
Loading...
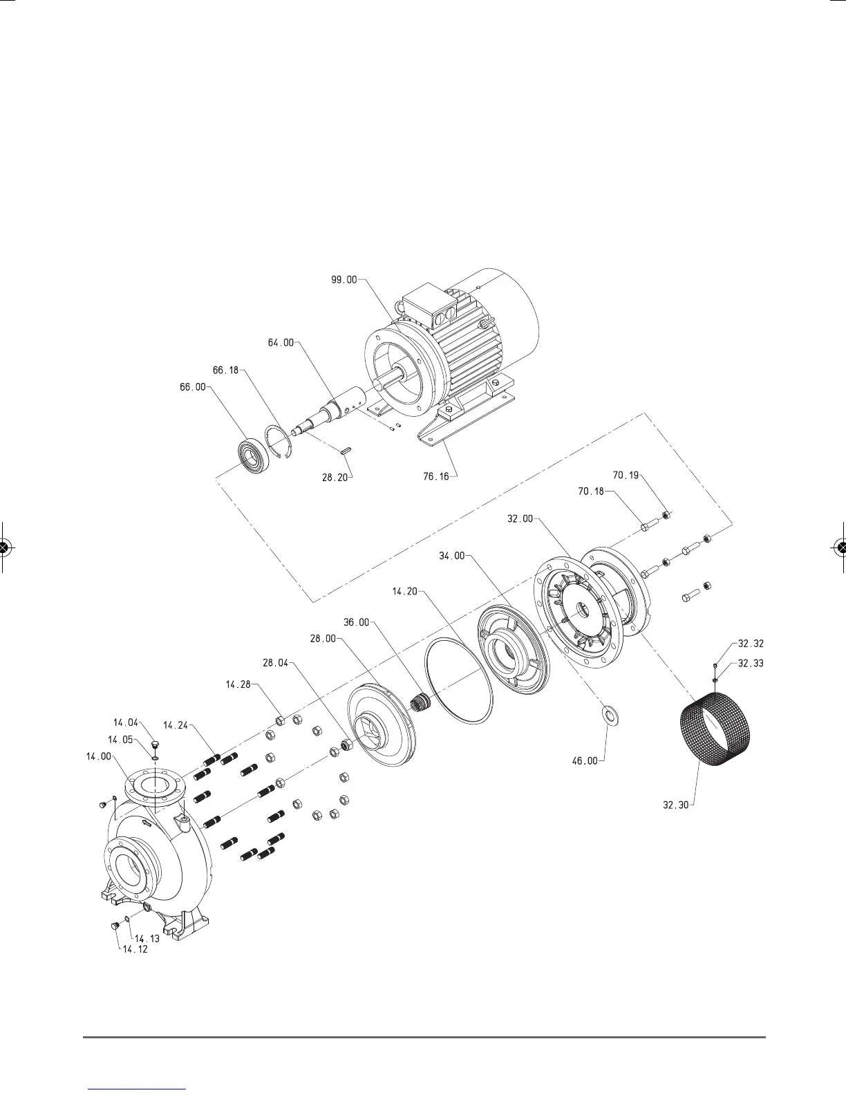
  &%&%+&%&%+*9J
 6@24;<=2?9<@:<;A.446<2169?6:<;A.446<
?.D6;43<?16@:.;A96;4.;1.@@2:/9F
-2605;B;43[?2:<;A.42B;1 <;A.42
2@@6;=<B?1R:<;A.422A:<;A.42
6/B7<=.?.12@:<;A.72F:<;A.72
Ritning för demontering och montering
";12?1292;A282;6;4
óÂÚÂÊ ‰Îfl ‰ÂÏÓÌڇʇ Ë Ò·ÓÍË
组装与分解图
NMS ?/
NMS4 ?/
!+,&%3983%0+37CB;5@@(5;=B5

Table of Contents

Other manuals for Calpeda NMS

Related product manuals