EasyManua.ls Logo

CAME BX608ALS

CAME BX608ALS
84 pages
To Next Page IconTo Next Page
To Next Page IconTo Next Page
To Previous Page IconTo Previous Page
To Previous Page IconTo Previous Page
Loading...
17 - Manual FA01413-EN - 02/2020 - © CAME S.p.A. - The contents of this manual may be changed at any time and without notice. - Translation of the original instructions
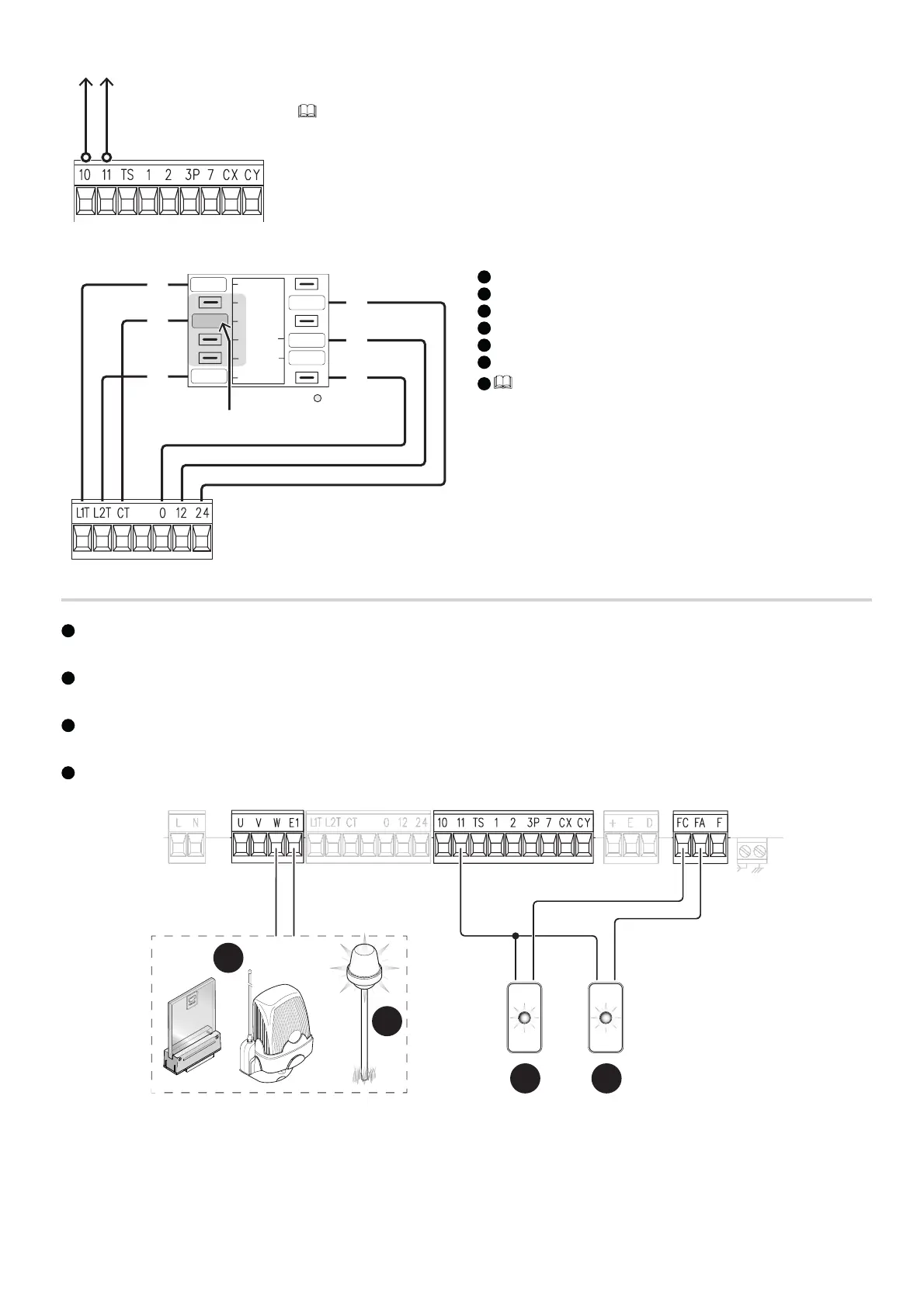
Power supply output for accessories
The output normally delivers 24 V AC.
The sum of the power draw for the connected accessories must not exceed 20 W.
Torque limiter
L2T
12
24
1
2
3
4
L1T
0
1
2
3
6
5
4
7
1
White cable
2
Black cable
3
Red cable
4
Blue cable
5
Purple cable
6
Orange cable
7
To vary the motor torque, move the corresponding Faston terminal to
one of the four positions; from 1 (minimum) to 4 (maximum).
Signalling devices
1
Flashing beacon
It flashes when the operator opens and closes.
2
Additional light
It increases the light in the manoeuvring area.
3
Operator status warning light
It indicates that the operator is in the open position.
4
Operator status warning light
It indicates that the operator is in the closed position.
1
43
2

Related product manuals