EasyManua.ls Logo

CAME BX608ALS

CAME BX608ALS
84 pages
To Next Page IconTo Next Page
To Next Page IconTo Next Page
To Previous Page IconTo Previous Page
To Previous Page IconTo Previous Page
Loading...
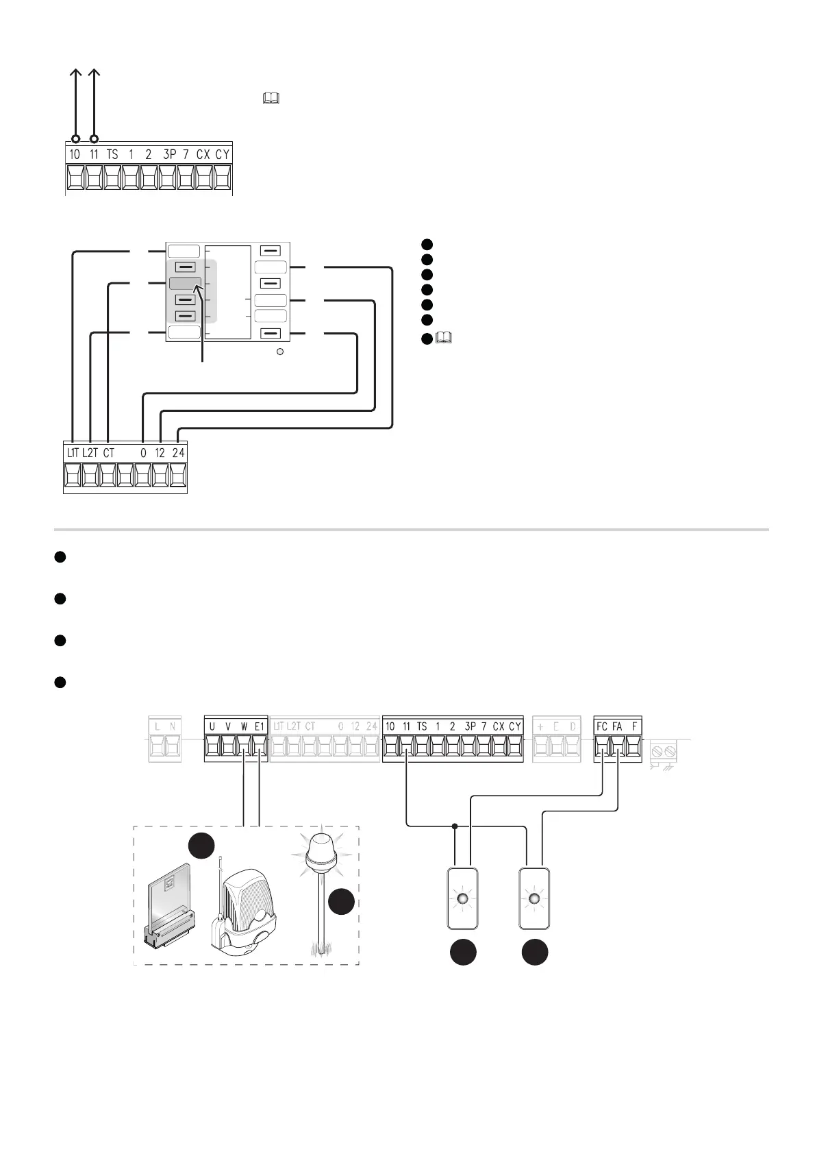
17 - Руководство FA01413-RU - 02/2020 - © CAME S.p.A. - Содержание этого руководства может быть изменено в любое время без предварительного уведомления. - Перевод оригинальных инструкций
Выход электропитания аксессуаров
Выход стандартного питания ~24В.
Суммарное потребление подключенных аксессуаров не должно превышать 20Вт.
Регулировка крутящего момента
L2T
12
24
1
2
3
4
L1T
0
1
2
3
6
5
4
7
1
Белый провод
2
Черный кабель
3
Красный кабель
4
Синий провод
5
Фиолетовый провод
6
Оранжевый провод
7
Для изменения усилия привода установите указанную клемму
в одно из 4 положений: 1– минимальное усилие, 4– максимальное
усилие.
Устройства сигнализации
1
Сигнальная лампа
Мигает во время открывания и закрывания автоматики.
2
Вспомогательная лампа
Увеличивает освещенность зоны проезда.
3
Лампа-индикатор состояния автоматики
Указывает на открытое положение автоматики.
4
Лампа-индикатор состояния автоматики
Указывает на закрытое положение автоматики.
1
43
2

Related product manuals