EasyManua.ls Logo

CAME BX608ALS

CAME BX608ALS
84 pages
To Next Page IconTo Next Page
To Next Page IconTo Next Page
To Previous Page IconTo Previous Page
To Previous Page IconTo Previous Page
Loading...
17 - Instrukcja FA01413-PL - 02/2020 - © CAME S.p.A. - Producent zastrzega sobie prawo do wprowadzania zmian wtreści instrukcji bez wcześniejszego powiadomienia. - Tłumaczenie oryginalnej instrukcji
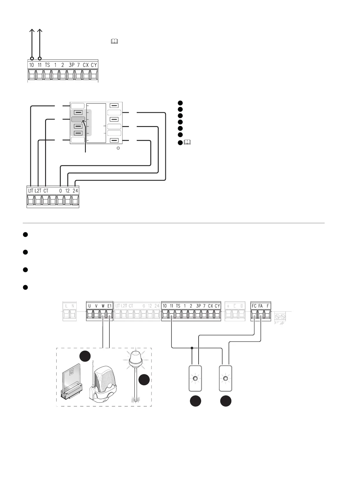
Wyjście zasilania dla akcesoriów
Wyjście dostarcza standardowo napięcie 24 V AC.
Suma prądu pobieranego przez podłączone akcesoria nie może przekraczać wartości 20 W.
Ogranicznik momentu obrotowego
L2T
12
24
1
2
3
4
L1T
0
1
2
3
6
5
4
7
1
Biały przewód
2
Czarny przewód
3
Czerwony przewód
4
Niebieski przewód
5
Fioletowy przewód
6
Pomarańczowy przewód
7
W celu zmiany momentu silnika przełożyć wskazane złącze Faston w
jedną z 4 pozycji; od 1 (minimalna) do 4 (maksymalna).
Urządzenia sygnalizacyjne
1
Lampa ostrzegawcza
Miga podczas otwierania izamykania napędu.
2
Dodatkowa lampa
Wzmacnia oświetlenie strefy manewru.
3
Kontrolka stanu napędu
Informuje, że napęd jest w pozycji otwartej.
4
Kontrolka stanu napędu
Informuje, że napęd jest w pozycji zamkniętej.
1
43
2

Related product manuals