EasyManua.ls Logo

Carlin 102CRD 99FRD - Wire Burner • Start Burner - 48245 Primary Control

Carlin 102CRD 99FRD
28 pages
Print Icon
To Next Page IconTo Next Page
To Next Page IconTo Next Page
To Previous Page IconTo Previous Page
To Previous Page IconTo Previous Page
Loading...
Model 99FRD, 100CRD & 102CRD oil burners — Instruction manual
Carlin part number MN99102 Rev. 08/20/08
– 14 –
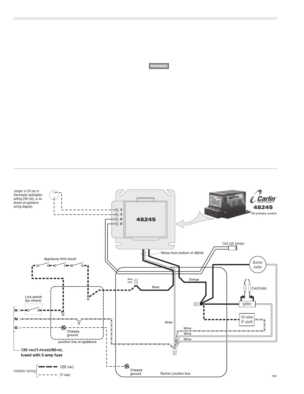
Wire burner — 48245 primary control
1. Allwiringmustcomplywith:
• IntheU.S—theNationalElectricalCode,ANSIZ223.1/NFPA54.
• InCanada—theCanadianElectricalCodePart1,CSAstandardC22.1.
• Allapplicablelocalcodes/standards.
2. Wire the burner following Figure16 and any special instructions or wiring
diagram provided with the appliance, burner or other components.
3. Theburnerrequiresa120VAC/60hz/single-phasepowersupply,withatleast
a5-ampfuse.Thecurrentdraw(equippedwithCarlinPSCmotor)willbeap-
proximately2.5amps.
4. The48245thermostatterminalsprovideapowersource.Neverapplyexternal
power to these terminals under any circumstances. To avoid this problem when
usingzonevalves,disconnecteldwiresfrom48245thermostatterminals.
Thenconnectavoltmeteracrosswires.Operateallzonesandverifythatthere
isneveravoltagereadingatthemeter.Avoltagereadingindicatesincorrect
wiring that must be corrected before attempting to operate the burner.
5. Makesuretheburnerandappliancearecorrectlywiredandthelineswitchis
properly fused for the load.
To start burner
Donotstarttheburnerifthecombustionchambercontains
oil or oil vapor.
1. TurnserviceswitchOFF.
2. Performinspectionsandcheckoutsonpages14and15.
3. Sliponeendofa3/16-inchI.D.clearplastichoseoverendofbleedvalve,the
other end into a container. Then open bleed valve.
4. Setthermostat(operatingcontrols)tocallforheat.
5. TurnserviceswitchON.
6. Bleedoillineuntilplasticlineisfreeofbubbles;thenanother15secondslonger.
(Shouldtheprimarycontroltimingcausealockoutduringpurging,restartthe
burner following the primary control data sheet instructions.)
7. Closebleedvalve.Theburnershouldcyclethroughthesequencegiveninthe
primary control data sheet.
8. Performprimarycontrolamefailurelockoutandsafetytimingtestsperinstruc-
tions in primary control data sheet.
9. Shouldcontrol/burnerfailtooperatecorrectly,seepage15forsuggestionsin
troubleshooting.
Figure 16 Burners up to 3.0 GPH only, wiring using Carlin 48245 primary control (see appliance manual or separate wiring
information for burner equipped with a primary control not covered in this manual)
4. Wire burner • start burner — 48245 primary control