EasyManua.ls Logo

Carlin 102CRD 99FRD - Wire Burner • Start Burner - 50200 Primary Control

Carlin 102CRD 99FRD
28 pages
Print Icon
To Next Page IconTo Next Page
To Next Page IconTo Next Page
To Previous Page IconTo Previous Page
To Previous Page IconTo Previous Page
Loading...
Model 99FRD, 100CRD & 102CRD oil burners — Instruction manual
Carlin part number MN99102 Rev. 08/20/08
– 18 –
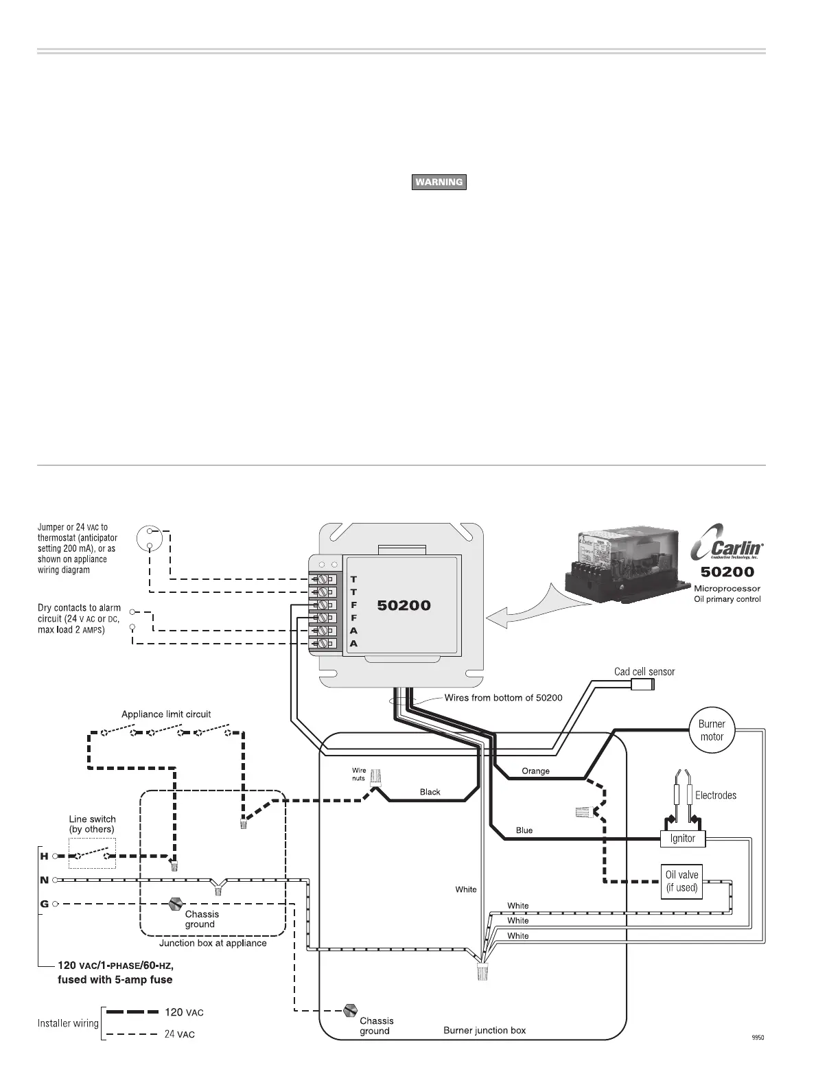
Wire burner — 50200 primary control
1. Allwiringmustcomplywith:
• IntheU.S—theNationalElectricalCode,ANSIZ223.1/NFPA54.
• InCanada—theCanadianElectricalCodePart1,CSAstandardC22.1.
• Allapplicablelocalcodes/standards.
2. Wire the burner following Figure18 and any special instructions or wiring
diagram provided with the appliance, burner or other components.
3. Theburnerrequiresa120VAC/60hz/single-phasepowersupply,withatleast
a5-ampfuse.Thecurrentdraw(equippedwithCarlinPSCmotor)willbeap-
proximately2.5amps.
4. The50200thermostatterminalsprovideapowersource.Neverapplyexternal
power to these terminals under any circumstances. To avoid this problem when
usingzonevalves,disconnecteldwiresfrom50200thermostatterminals.Then
connectavoltmeteracrossterminals.Operateallzonesandverifythatthere
isneveravoltagereadingatthemeter.Avoltagereadingindicatesincorrect
wiring that must be corrected before attempting to operate the burner.
5. Alarmterminalsprovidea24vac-rateddrycontact,suitableforusewithsecurity/
realarmsystemssuchasCarlinSecureHeat™.
6. Makesuretheburnerandappliancearecorrectlywiredandthelineswitchis
properly fused for the load.
To start burner
Donotstarttheburnerifthecombustionchambercontains
oil or oil vapor.
1. TurnserviceswitchOFF.
2. Perform inspections and checkouts on pages 18 and 19.
3. Sliponeendofa3/16-inchI.D.clearplastichoseoverendofbleedvalve,the
other end into a container. Then open bleed valve.
4. Setthermostat(operatingcontrols)tocallforheat.
5. TurnserviceswitchON.
6. Bleedoillineuntilplasticlineisfreeofbubbles;thenanother15secondslonger.
(Shouldtheprimarycontroltimingcausealockoutduringpurging,restartthe
burner following the primary control data sheet instructions.)
7. Closebleedvalve.Theburnershouldcyclethroughthesequencegiveninthe
primary control data sheet.
8. Performprimarycontrolamefailurelockoutandsafetytimingtestsperinstruc-
tions in primary control data sheet.
9. Shouldcontrol/burnerfailtooperatecorrectly,seepage19forsuggestionsin
troubleshooting.
4. Wire burner • start burner — 50200 primary control
Figure 18 99FRD, 100CRD, and 102CRD burners wiring using Carlin 50200 primary control (see appliance manual or
separate wiring information for burner equipped with a primary control not covered in this manual)