EasyManua.ls Logo

Carlin 102CRD 99FRD - Wire Burner • Start Burner - 40200 Primary Control

Carlin 102CRD 99FRD
28 pages
Print Icon
To Next Page IconTo Next Page
To Next Page IconTo Next Page
To Previous Page IconTo Previous Page
To Previous Page IconTo Previous Page
Loading...
Model 99FRD, 100CRD & 102CRD oil burners — Instruction manual
Carlin part number MN99102 Rev. 08/20/08
– 16 –
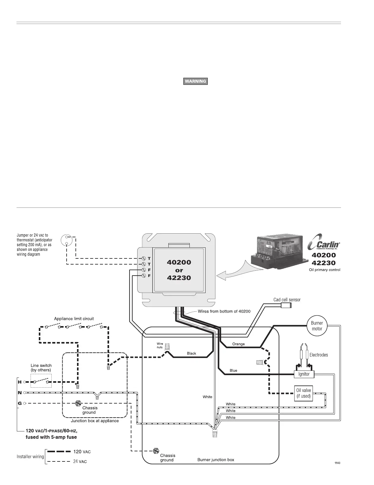
Wire burner — 40200 primary control
42230 primary control
1. Allwiringmustcomplywith:
• IntheU.S—theNationalElectricalCode,ANSIZ223.1/NFPA54.
• InCanada—theCanadianElectricalCodePart1,CSAstandardC22.1.
• Allapplicablelocalcodes/standards.
2. Wire the burner following Figure17 and any special instructions or wiring
diagram provided with the appliance, burner or other components.
3. Theburnerrequiresa120VAC/60hz/single-phasepowersupply,withatleast
a5-ampfuse.Thecurrentdraw(equippedwithCarlinPSCmotor)willbeap-
proximately2.5amps.
4. The40200or42230thermostatterminalsprovideapowersource.Neverap-
ply external power to these terminals under any circumstances. To avoid this
problemwhenusingzonevalves,disconnecteldwiresfrom40200or42230
thermostatterminals.Thenconnectavoltmeteracrosswires.Operateallzones
andverifythatthereisneveravoltagereadingatthemeter.Avoltagereading
indicates incorrect wiring that must be corrected before attempting to operate
the burner.
5. Makesuretheburnerandappliancearecorrectlywiredandthelineswitchis
properly fused for the load.
To start burner
Donotstarttheburnerifthecombustionchambercontains
oil or oil vapor.
1. TurnserviceswitchOFF.
2. Performinspectionsandcheckoutsonpages16and17.
3. Sliponeendofa3/16-inchI.D.clearplastichoseoverendofbleedvalve,the
other end into a container. Then open bleed valve.
4. Setthermostat(operatingcontrols)tocallforheat.
5. TurnserviceswitchON.
6. Bleedoillineuntilplasticlineisfreeofbubbles;thenanother15secondslonger.
(Shouldtheprimarycontroltimingcausealockoutduringpurging,restartthe
burner following the primary control data sheet instructions.)
7. Closebleedvalve.Theburnershouldcyclethroughthesequencegiveninthe
primary control data sheet.
8. Performprimarycontrolamefailurelockoutandsafetytimingtestsperinstruc-
tions in primary control data sheet.
9. Shouldcontrol/burnerfailtooperatecorrectly,seepage17forsuggestionsin
troubleshooting.
4. Wire burner • start burner — 40200 or 42230 primary control
Figure 17 99FRD, 100CRD, and 102CRD burners wiring using Carlin 40200 or 42230 primary control (see appliance
manual or separate wiring information for burner equipped with a primary control not covered in this manual)