EasyManua.ls Logo

Carlton SP4012 - Page 95

Carlton SP4012
153 pages
Print Icon
To Next Page IconTo Next Page
To Next Page IconTo Next Page
To Previous Page IconTo Previous Page
To Previous Page IconTo Previous Page
Loading...
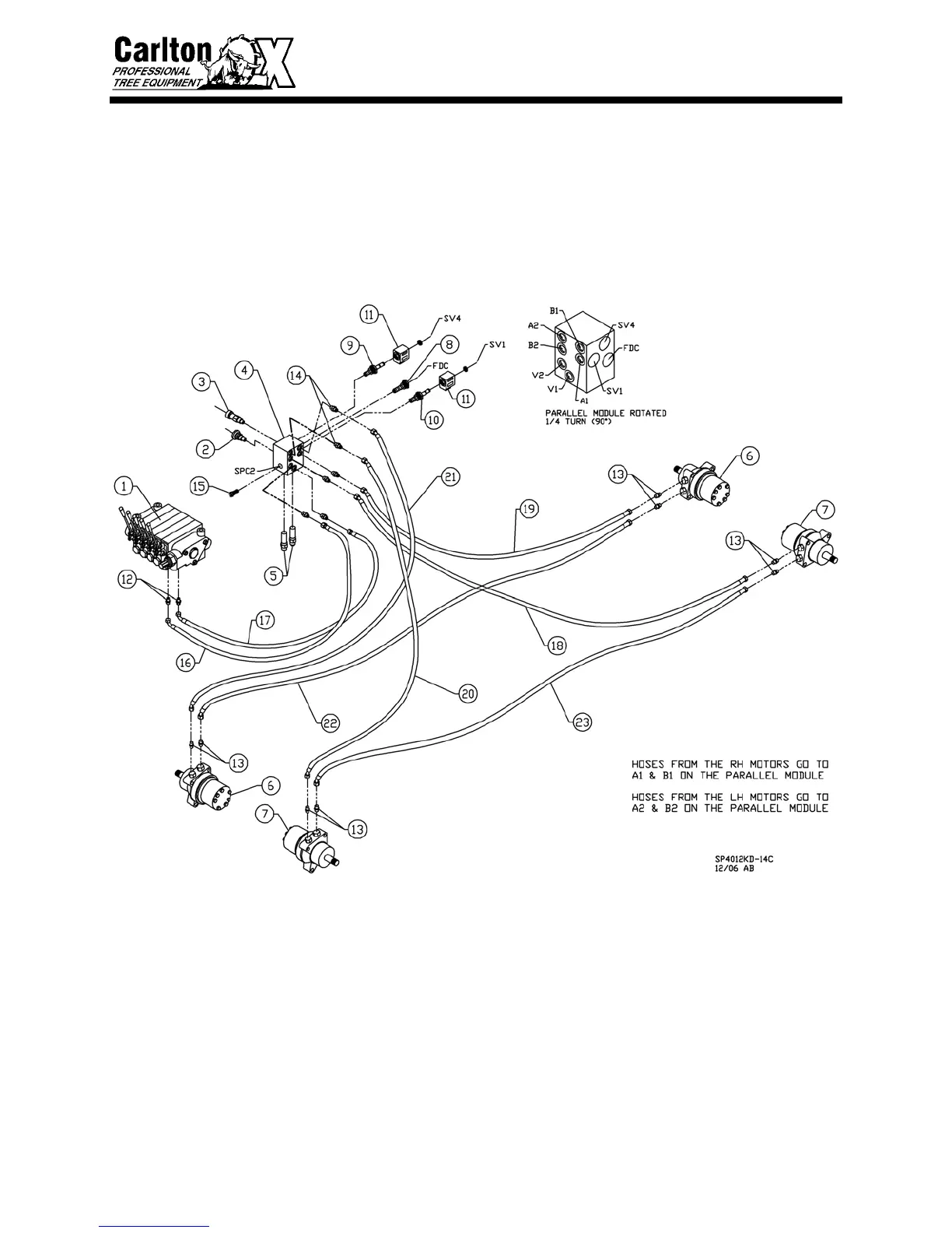
SP4012 HYDRAULIC ASSEMBLY
75
OPTIONAL:
TRACTION HYDRAULIC ASSEMBLY
(ALL WHEEL DRIVE)

Table of Contents

Related product manuals