EasyManua.ls Logo

Carrier 58TP0B - Venting; General Venting Requirements

Carrier 58TP0B
52 pages
Print Icon
To Next Page IconTo Next Page
To Next Page IconTo Next Page
To Previous Page IconTo Previous Page
To Previous Page IconTo Previous Page
Loading...
58TP0B/58TP1B: Installation, Start-up, Operating and Service and Maintenance Instructions
Manufacturer reserves the right to change, at any time, specifications and designs without notice and without obligations.
20
13. Thermostat terminal connection order on furnace control may vary-
reference furnace control labeling for designations.
14. Field installed jumper required for InteliSense™ installations using
single-stage AC or HP.
VENTING
The furnace shall be connected to a listed factory built chimney or vent,
or a clay-tile lined masonry or concrete chimney. Venting into an unlined
masonry chimney or concrete chimney is prohibited.
When an existing Category I furnace is removed or replaced, the original
venting system, may no longer be sized to properly vent the attached
appliances. An improperly sized Category I venting system could cause
the formation of condensate in the furnace and vent, leakage of
condensate and combustion products, and spillage of combustion
products into the living space.
Vent system or vent connectors may need to be resized. Vent systems or
vent connectors must be sized to approach minimum size as determined
using appropriate table found in the current edition of NFPA 54/ANSI
Z223.
General Venting Requirements
Follow all safety codes for proper vent sizing and installation
requirements, including local building codes, the National Fuel Gas
Code NFPA 54/ANSI Z223.1, Parts 12 and 13 in the United States, the
local building codes, and furnace and vent manufacturers’ instructions.
These furnaces are design-certified as Category I furnaces in accordance
with ANSI Z21.47/CSA 2.3 and operate with a non-positive vent static
pressure to minimize the potential for vent gas leakage. Category I
furnaces operate with a flue loss not less than 17% to minimize the
potential for condensation in the venting system. These furnaces are
approved for common venting and multi-story venting with other fan
assisted or draft hood equipped appliances in accordance with the
NFCG, local building codes, and furnace and vent manufacturers’
instructions.The following information and warning must be considered
in addition to the requirements defined in the NFPA 54/ANSI Z223.
1. If a vent (common or dedicated) becomes blocked, the furnace will
be shut off by the draft safeguard switch located on the vent elbow.
2. Two-stage furnaces require Type B vent connectors outside the
casing in all configurations. Single wall vent connector may be
used inside the furnace casing with the transition to Type B vent
outside the furnace casing. Size the connector so that the FAN-Min
vent connector capacity is equal to or lower than the low fire rate of
the furnace and the FAN-Max vent connector capacity is equal to or
higher than the furnace high fire rate.
3. Do not vent this Category I furnace into a single wall dedicated or
common vent. The dedicated or common vent is considered to be
the vertical portion of the vent system that terminates outdoors.
4. Vent connectors serving Category I furnaces shall not be connected
into any portion of a mechanical draft system operating under
positive pressure.
5. Do not vent this appliance with any solid fuel burning appliance.
6. Category I furnaces must be vented vertically or nearly vertically
unless equipped with a listed mechanical venter. See SIDEWALL
VENTING section.
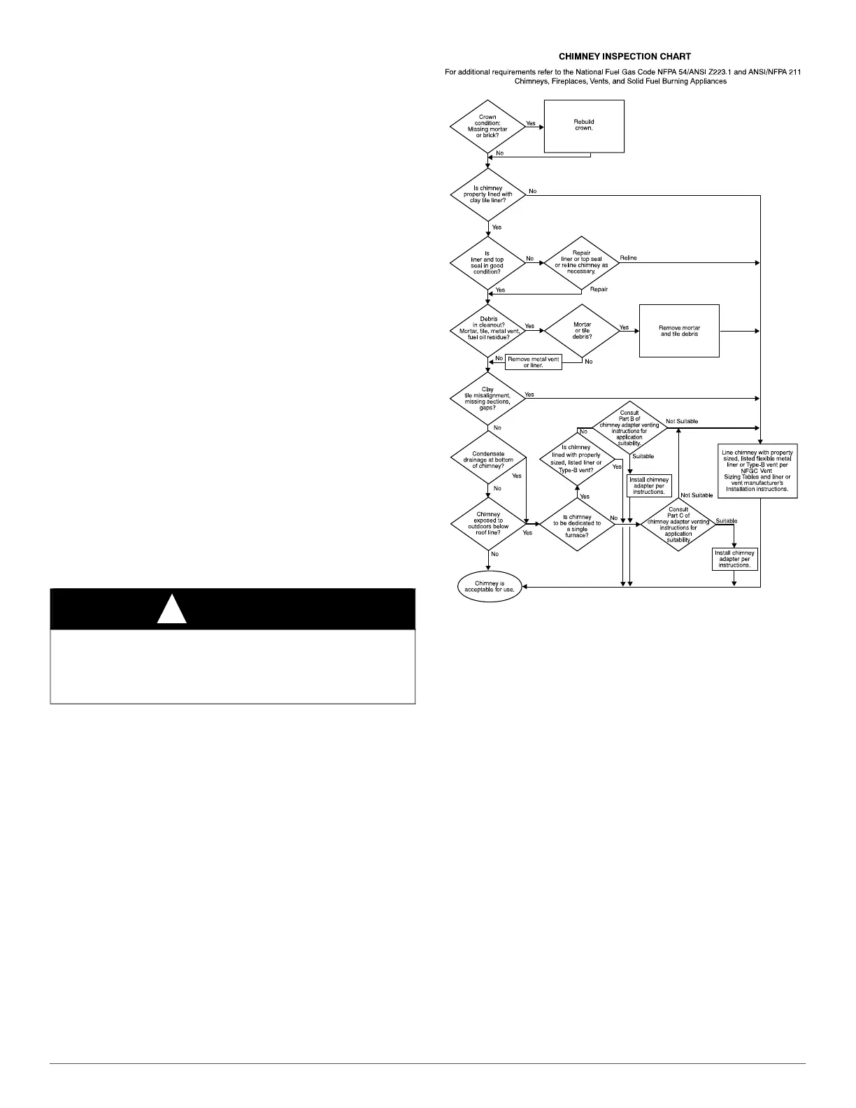
7. Do not vent this appliance into an unlined masonry chimney. (Refer
to Chimney Inspection Chart, Fig. 31).
A10133
Fig. 31 – Chimney Inspection Chart
Masonry Chimney Requirement
NOTE: These furnaces are CSA design-certified for use in exterior
tile-lined masonry chimneys with a factory accessory Chimney Adapter
Kit. Refer to the furnace rating plate for correct kit usage. The Chimney
Adapter Kits are for use with ONLY furnaces having a Chimney Adapter
Kit number marked on the furnace rating plate.
If a clay tile-lined masonry chimney is being used and it is exposed to
the outdoors below the roof line, relining might be required. Chimneys
shall conform to the Standard for Chimneys, Fireplaces, Vents, and Solid
Fuel Burning Appliances ANSI/NFPA 211 in the United States and must
be in good condition.
U.S.A.-Refer to Sections 13.1.8 and 13.2.20 of the NFPA 54/ANSI
Z223.1 or the authority having jurisdiction to determine whether relining
is required. If relining is required, use a properly sized listed metal liner,
Type-B vent, or a listed alternative venting design.
NOTE: See the NFPA 54/ANSI Z223.1 13.1.9 and 13.2.20 regarding
alternative venting design and the exception, which cover installations
such as our Chimney Adapter Kits which are listed for use with these
furnaces. See Product Data Sheet for accessory listing.
WARNING
!
CARBON MONOXIDE POISONING HAZARD
Failure to follow this warning could result in personal injury or death.
Do not bypass the draft safeguard switch, as an unsafe condition could
exist which must be corrected.

Related product manuals