EasyManua.ls Logo

CBE 230 - Page 115

CBE 230
115 pages
Print Icon
To Previous Page IconTo Previous Page
To Previous Page IconTo Previous Page
Loading...
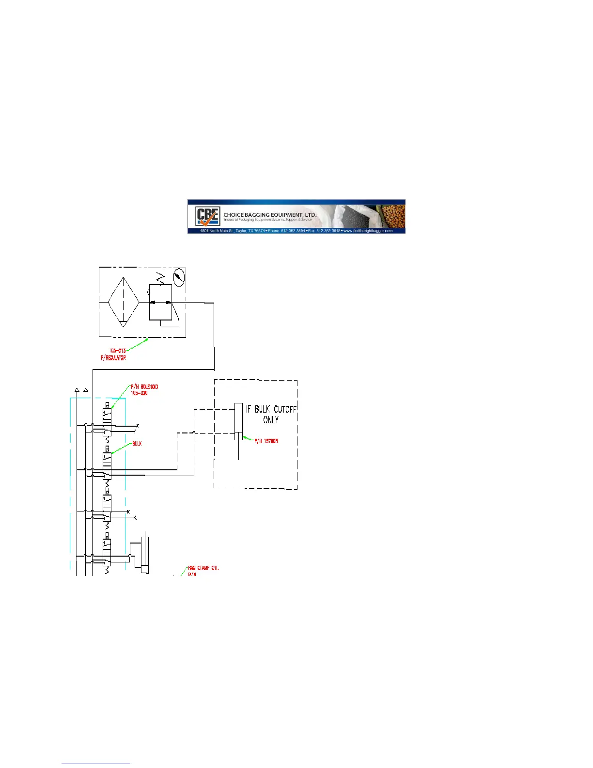
230 Series Auger Packer
115 OF 115

Table of Contents

Related product manuals