EasyManua.ls Logo

CBE PC100 - Elektrischer Plan Pc100; Schema Elettrico Pc100; Wiring Diagram Pc 100

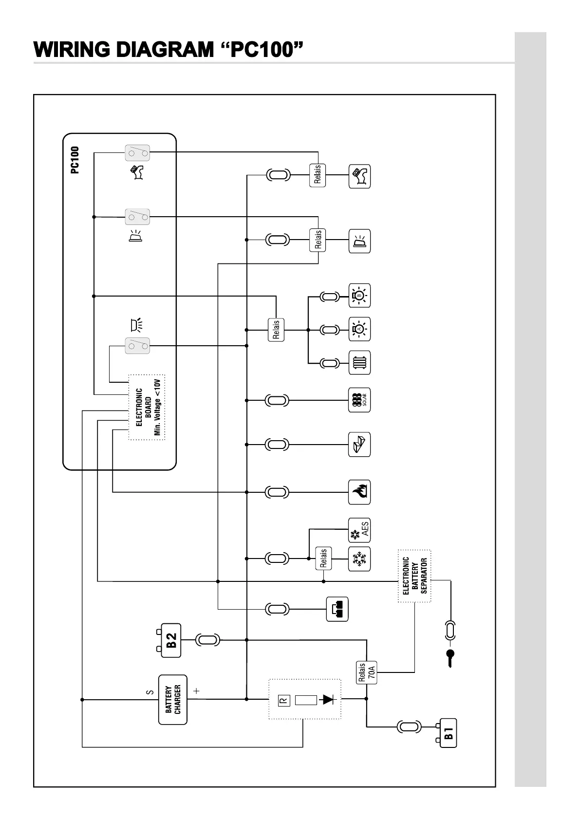
CBE PC100
Print Icon
To Next Page IconTo Next Page
To Next Page IconTo Next Page
To Previous Page IconTo Previous Page
To Previous Page IconTo Previous Page
Loading...
PTC
5A
10A
20A
20A
20A
25A
3A
30A
50A
50A
10A
3A
33

Related product manuals