EasyManua.ls Logo

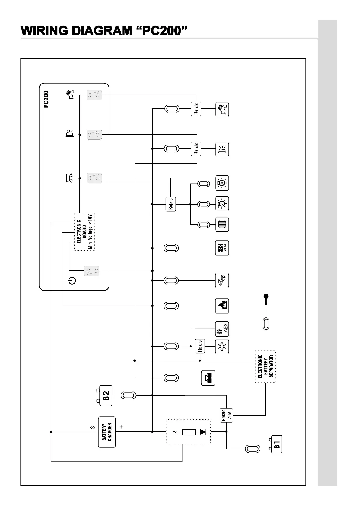
CBE PC100 - Schema Elettrico Pc 200; Wiring Diagram Pc 200; Einbauplan Pc200 Elektrischer Plan Pc200; Schema Dinstallation Pc200 Schema Electrique Pc200

CBE PC100
Print Icon
To Next Page IconTo Next Page
To Next Page IconTo Next Page
To Previous Page IconTo Previous Page
To Previous Page IconTo Previous Page
Loading...
PTC
5A
10A
20A
20A
20A
25A
3A
30A
50A
50A
10A
3A
35

Related product manuals