EasyManua.ls Logo

Cetron TMF Series - Circuit Diagram

Cetron TMF Series
92 pages
Print Icon
To Next Page IconTo Next Page
To Next Page IconTo Next Page
To Previous Page IconTo Previous Page
To Previous Page IconTo Previous Page
Loading...
Service Manual_2017-V1
14
5.3
Inside temperature
Temperature tolerance2
o
C
Compartment
The highest (
o
C)
Lowest (
o
C)
Freezing
-16
-20
Refrigerating
7
3
Variable temperature
/ /
5.4
Defrosting parts
Item
Initial defrosting period
Normal defrosting period
Defrosting period
Temperature is lower than 0
o
C
6~24 hours
Defrosting sensor
NTC
B3839
Defrosting temperature
controller
/ /
Thermal fuse
Can’t be restored
77
o
C
Defrosting heater in freezing
chamber
/ 115V/175W
5.5
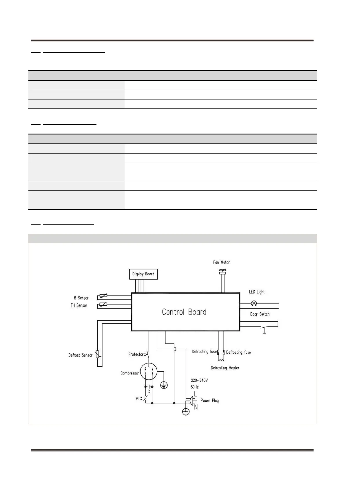
Circuit diagram
BCD199/226/256WE(22031020003242_22031020003241_22031020003243)

Table of Contents