EasyManua.ls Logo

Cetron TMF Series - Diagrama de Circuito; Partes de Deshielo; Temperatura Interior

Cetron TMF Series
92 pages
Print Icon
To Next Page IconTo Next Page
To Next Page IconTo Next Page
To Previous Page IconTo Previous Page
To Previous Page IconTo Previous Page
Loading...
Manual de Servicio_2017-V1
14
5.3
Temperatura interior
Tolerancia de temperatura <2°C
Compartimiento
La más alta
La más baja
Congelador
-16°C
-20°C
Refrigerador
7°C
3°C
Variable
/ /
5.4
Partes de deshielo
Artículo
Periodo inicial de deshielo
Periodo normal de deshielo
Periodo de deshielo
Temp. es más baja que 0°C
6 a 24 horas
Sensor de deshielo
NTC
B3839
Controlador de temperatura de
deshielo
/ /
Fusible térmico
No reinicializable
77°C
Calentador de deshielo en el
compartimiento del congelador
/ 115V/175W
5.5
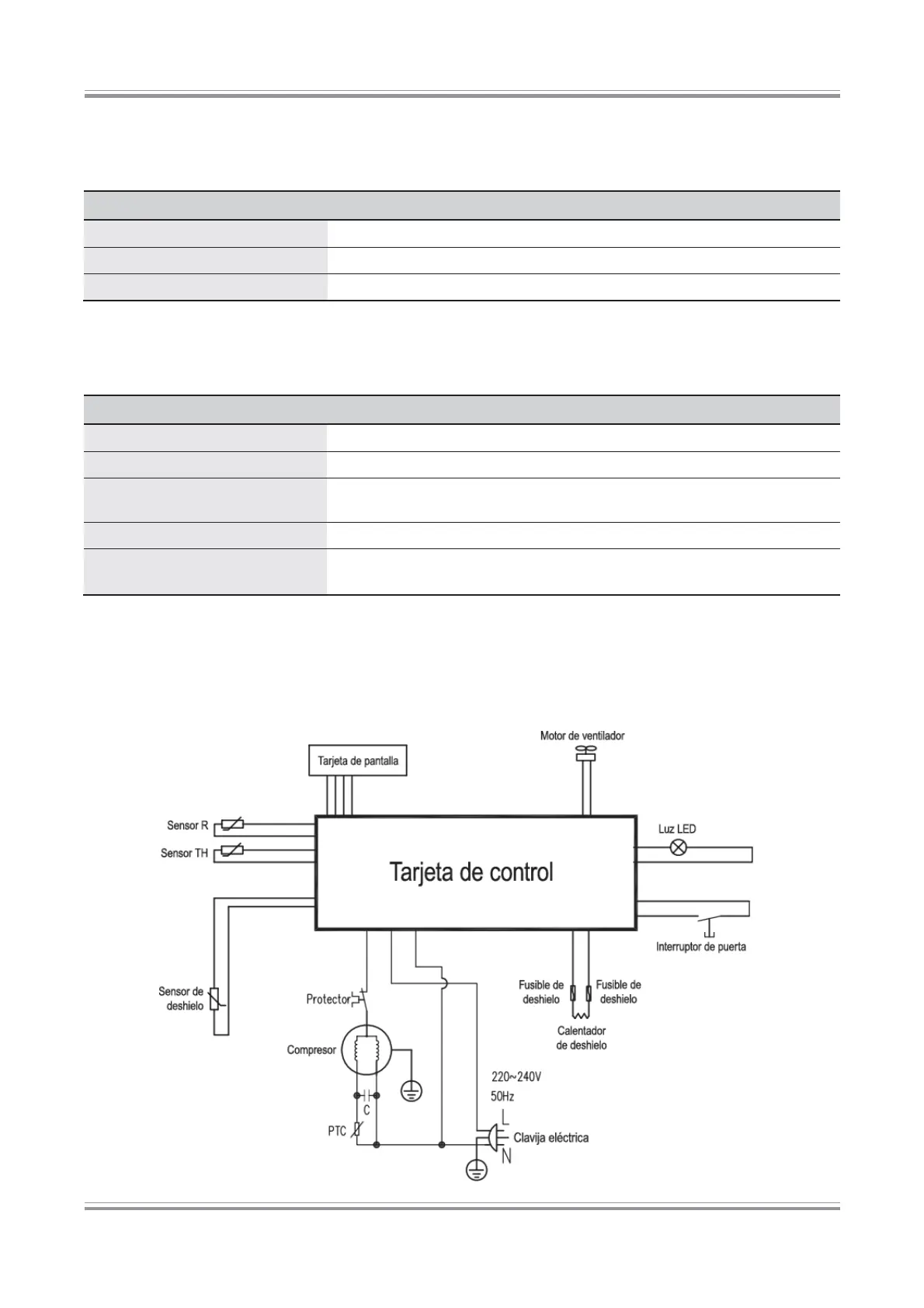
Diagrama de circuito
BCD199/226/256WE (22031020003242_22031020003241_22031020003243)

Table of Contents