EasyManua.ls Logo

Cetron TMF Series - Circuito de Prueba de Disparo de Puerta (Ninguno); Circuito de Prueba de Temperatura; Suministro de Energía

Cetron TMF Series
92 pages
Print Icon
To Next Page IconTo Next Page
To Next Page IconTo Next Page
To Previous Page IconTo Previous Page
To Previous Page IconTo Previous Page
Loading...
Manual de Servicio_2017-V1
32
10.
Descripción de circuito
10.1
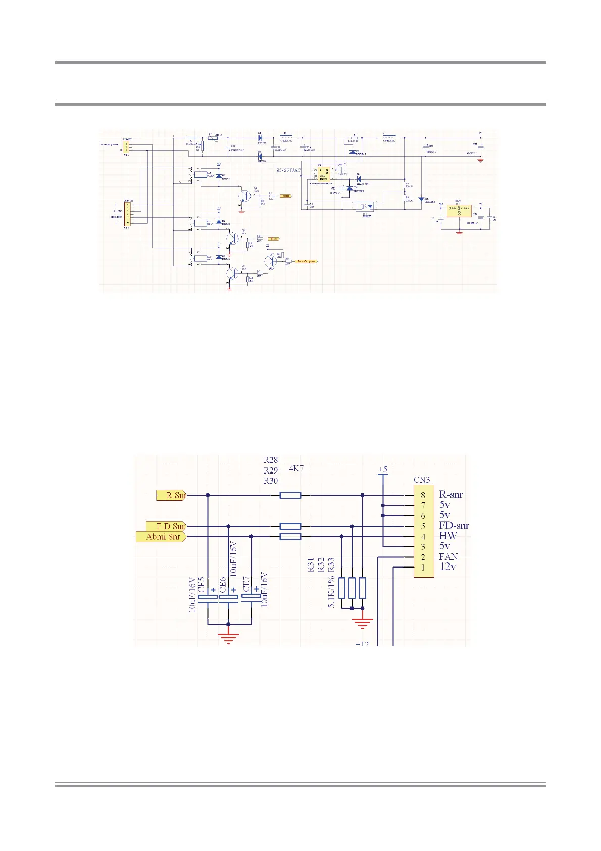
Suministro de energía
La potencia de entrada c.a. se reduce en voltaje por el chip de control SMPS y se filtra en onda por el filtro de
inductancia-capacidad, y luego sale la potencia de 12 V de c.c. que alimenta principalmente al relevador que
controla la corriente fuerte. El relevador se utiliza para controlar los interruptores de carga de corriente fuerte
del compresor, labrica de hielo y el calentador de deshielo. La potencia de 12V c.c. producirá una electrici-
dad estable de 5V después de pasar por el regulador 7805, para alimentar el chip de control principal y así
monitorear los cambios de temperatura en el refrigerador.
10.2
Circuito de prueba de disparo de puerta (Ninguno)
10.3
Circuito de prueba de temperatura
Es conducido por el sensor, haciendo uso de las características que el valor de resistencia reduce a medida
que la temperatura aumenta, y el termistor que tiene un coeficiente de resistencia en temperatura media.
Se considera que la característica que el valor de la resistencia reduce al aumentar la temperatura tiene una
pendiente negativa o un coeficiente de temperatura negativo (NTC), y dicho termistor se denomina termistor
NTC. El valor de la resistencia cambia sensiblemente con la temperatura y típicamente cambia entre el 7% y
el 3% por grado centígrado. El sensor utilizado en el refrigerador es un termistor NTC.
La siguiente es una fórmula de cálculo para el sensor: Voltaje de muestreo/Voltaje de referencia = R1/
(RNTC+R1)
Valor AD/Referencia Valor AD = R1/(RNTC + R1).

Table of Contents