EasyManua.ls Logo

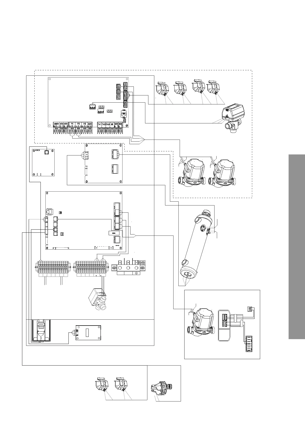
CHAFFOTEAUX ARIANEXT COMPACT - Schema Elettrico

CHAFFOTEAUX ARIANEXT COMPACT
Print Icon
To Next Page IconTo Next Page
To Next Page IconTo Next Page
To Previous Page IconTo Previous Page
To Previous Page IconTo Previous Page
Loading...
45
Connessioni elettriche
ARIANEXT COMPACT
Schema Elettrico
PRESSOSTAT EAU
SONDE DÉPARTSONDE RETOUR
GY
GY
RD
RD
BU
BU
RD
WH
BK
BK
BN
BN
BK
POMPE PRINCIPALE
THERMOSTATS DE SÉCURITÉ
RÉSISTANCES
ÉLECTRIQUES
BK
BN
11
1
1
CN11
CN4
RS 485
1 2
TA 1 TA 2 SE
TNK
ANODE
+24V
BUS
B T
WH
BU
GN
GN
BK
BK
BU
BU
WH
WH
BK
BU
BN
VANNE MÉLANGEUSE
POMPE ZONE 1
ANODE
PROTECH
SONDE
ECS
POMPE ZONE 2
SONDES INTERNES
BN
BK
BN
BK
FSP 2 ZONES
SONDES
INTERNES
RÉSISTANCES
ÉLECTRIQUES
POMPE
P1 P2
VANNE
MÉLANGEUSE
THERMOSTATS
RESISTANCES
ENERGY
MANAGER
ZONE MANAGER
BACK UP
INTERFACE
N1 L1 N2 L2
POWER OUT
CN1
CN4
CN3
POWER IN
CN3
1
1
VANNE1
POMPE1
FUSE
230V
SERIAL
ANODE
PWM2
PWM1
CN7
SW1
CN6
F1
CN1
CN10
CN4
CN13
CN9
CN5
CN16
CN14
CN2
CN8
11
4
31
6
1
EBUS
EBUS
VANNE DE DERIVATIONPOMPE 2
C35
1
CN12
1
1
1
CN11
1
1
POMPE2
VANNE2
LN
LED UI
BU
BU
CN1
OG
OG
BU
BU
OG OG
CARTE
COMMUNICATION
BU
VANNE DE
DERIVATION
N LN L
DLST
PM AUX
V 1
AFR ST 1EDF
BK = Nero
BN = Marrone
BU = Blu
RD = Rosso
YE = Giallo
GN = Verde
GY = Grigio
WH = Bianco

Table of Contents

Related product manuals