EasyManua.ls Logo

Chigo CCB-18HVR4 - Outdoor Unit Operation Limits

Chigo CCB-18HVR4
159 pages
Print Icon
To Next Page IconTo Next Page
To Next Page IconTo Next Page
To Previous Page IconTo Previous Page
To Previous Page IconTo Previous Page
Loading...
R3250Hz Universal Outdoor Series Technical Manual
115
GD Chigo Heating & Ventilation Equipment Co., Ltd.
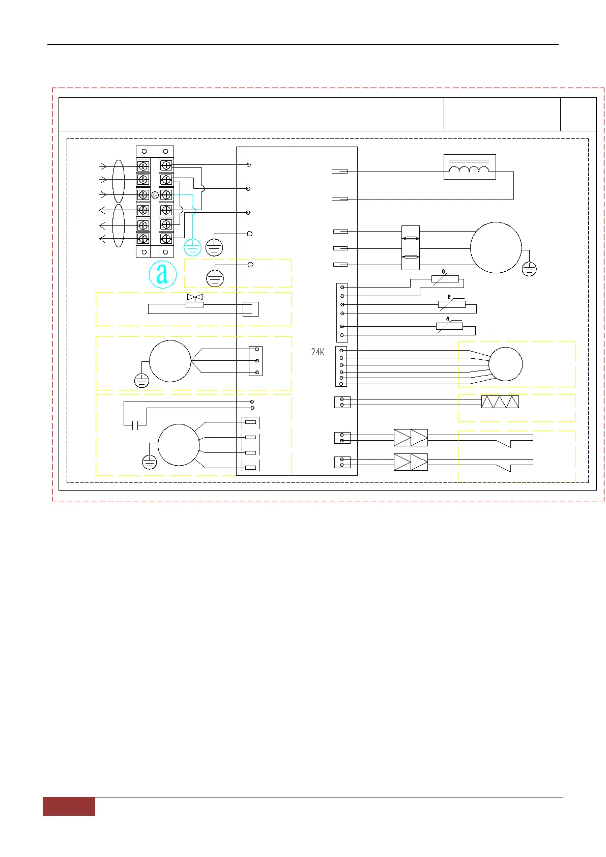
4.2 COU-24HDR4 (Power supply from indoor unit)
P4
P3
BL
FAN
RD
WT
BL
Solenoid valve or heat
(CAP)
(Reserved)
CN21
AC
FAN
N
BR
BL
YE/GN
(Reserved)
(Reserved)
(Reserved)
(Reserved)
(Reserved)
T3
T4
TP
LP
HP
CN24
CN23
LP
HP
BR
BK
YE/GN
BL
INDOOR.COM
S
N1
L1
NL
power supply
YE/GN
P2(GND)
ELECTRICAL WIRING DIAGRAM
temp.
W
V
U
EXV
Inductor
INV
Comp.
Outdoor coil
temp.
Exhaust
temp.
(Reserved)
YE/GN
RD(WT)
YE/GN
(Reserved)
CN10
VAL
BL
DC
CN3(N)
CN28(S_E)
CN4(L)
P1(GND)
CN5
HEATY
CN27
CN19
COMP3(W)
COMP2(V)
COMP1(U)
CN2(PFC1)
CN1(PFC2)
RD(WT)
4-WAY
CN20
Outdoor controller
Outdoor ambient

Table of Contents