EasyManua.ls Logo

Cisco 3000 - Page 44

Cisco 3000
248 pages
Print Icon
To Next Page IconTo Next Page
To Next Page IconTo Next Page
To Previous Page IconTo Previous Page
To Previous Page IconTo Previous Page
Loading...
4-6
Cisco TelePresence System 3000
OL-14521-01
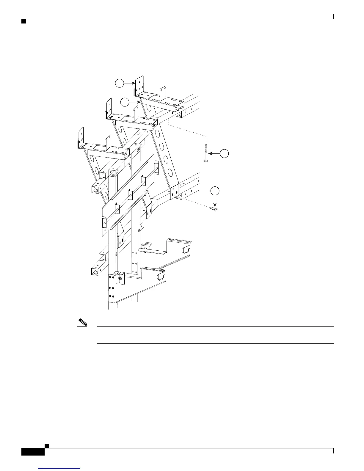
Chapter 4 Building the Lighting Assembly
Parts List
Step 3 Attach the four inner Support brackets to the Support crossbars.
Figure 4-3 Four inner Support brackets (from Figure 4-1)
Note There is no physical difference between the six Support brackets assembled in Figure 4-1. Any
two can be used as outer Support brackets.
201127
31
2
1
26

Table of Contents

Related product manuals