EasyManua.ls Logo

Clarke CA30 17E - Page 54

Clarke CA30 17E
56 pages
Print Icon
To Next Page IconTo Next Page
To Next Page IconTo Next Page
To Previous Page IconTo Previous Page
To Previous Page IconTo Previous Page
Loading...
D - 12 CA30 17E - 56091131 7/2014
PARTS LIST
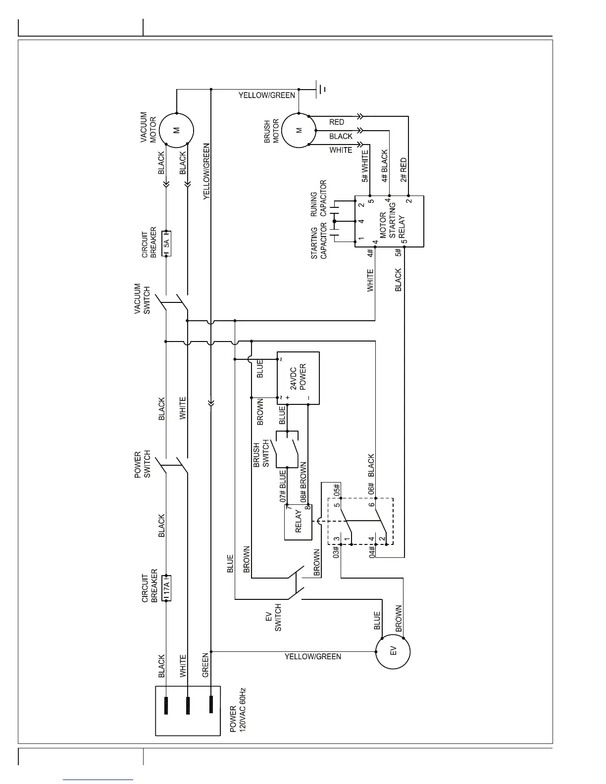
WIRING DIAGRAM

Table of Contents

Other manuals for Clarke CA30 17E

Related product manuals