EasyManua.ls Logo

ClimateMaster Tranquility TTH072 Series - Page 25

ClimateMaster Tranquility TTH072 Series
56 pages
Print Icon
To Next Page IconTo Next Page
To Next Page IconTo Next Page
To Previous Page IconTo Previous Page
To Previous Page IconTo Previous Page
Loading...
25
climatemaster.com
THE SMART SOLUTION FOR ENERGY EFFICIENCY
Tranquility
®
30 (TT) Series
Rev.: 07/18/13
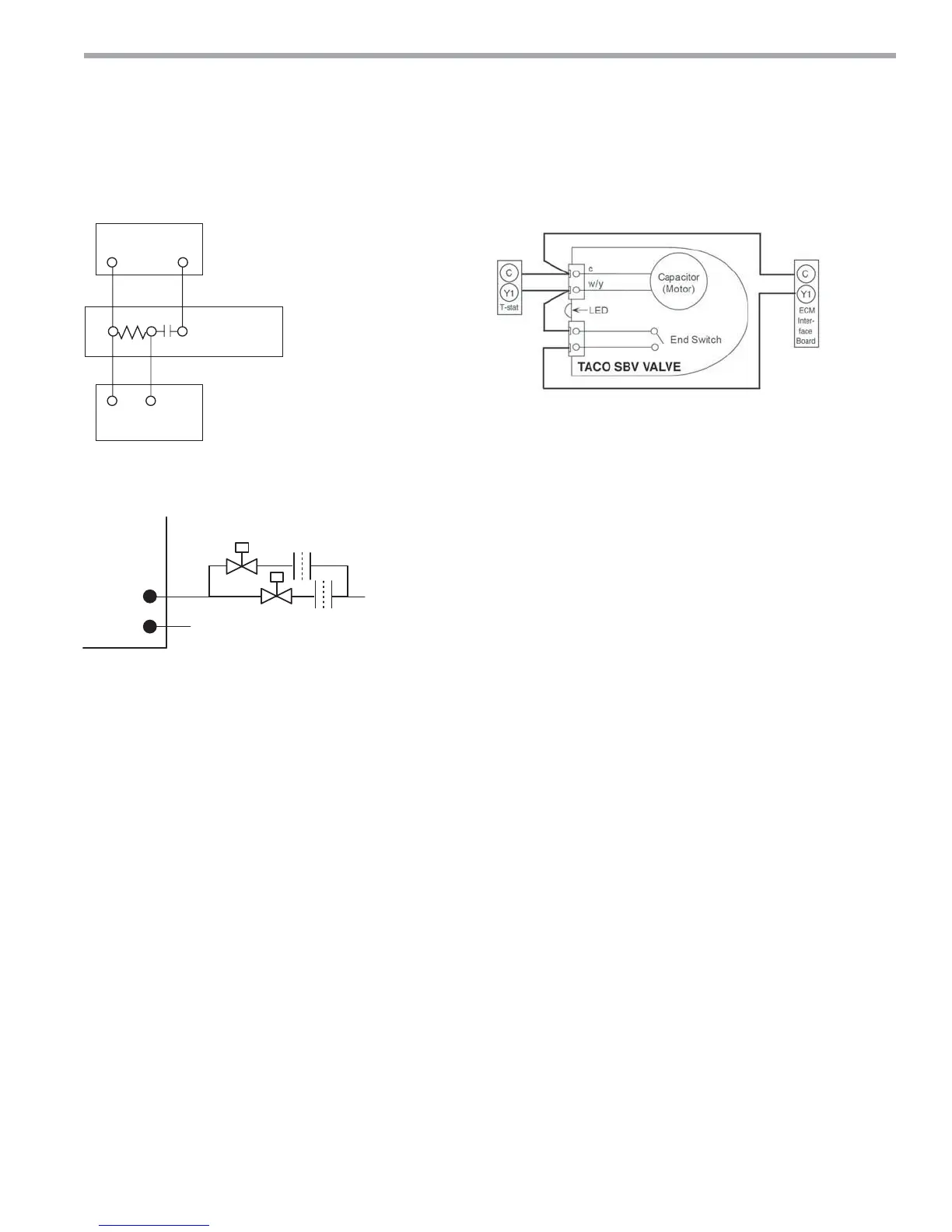
Electrical - Low Voltage Wiring
Figure 19: AVM Valve Wiring Figure 20: Taco SBV Valve Wiring
From Water Source
IN
OUT
NOTE: Shut-off valves, strainers and
other required components not shown.
Solenoid
Valve
Flow
Regulator
To Discharge
Stage 1
Stage 2
Figure 21: Two-Stage Piping
C
C
Thermostat
Y1
1
2
3
Y1
AVM
Taco Valve
Heater Switch
Water Valve Wirin
g